crwdns2933423:0crwdne2933423:0

Repair and disassembly information for the 2020 refresh of the MacBook Air model A2179 with an Intel processor that was released in March 2020.

Mac air no longer starts up

My wife's Macbook Air 2020 laptop was not charging previously. My wife tried out different charging cords and still would not charge. She then rebooted the laptop (it still had some charge in battery) and it never came back to life. I replaced the battery and still no power. I also tried all the resets using the appropriate keys and still no luck.

Other history with this laptop:

1. It would take awhile to start up and sometimes it would boot up and then have a bunch of lines on the screen. She would restart the computer when that happened and it would operate normally.
2. Battery would get very hot and fan would constantly run.
3. I looked at the logic board and do not see any areas that could be a concern (no black marks etc).


Any ideas on what steps I can take on determining what the issue is? Is it a board issue, something to do with the USBC ports?

Update (10/09/24)

I got a USBC tester and this is what it reads

Block Image

.

I'm in the San Antonio tx area

crwdns2934081:0crwdne2934081:0 crwdns2934083:0crwdne2934083:0 crwdns2934093:0crwdne2934093:0

crwdns2934109:0crwdne2934109:0

crwdns2889612:0crwdne2889612:0 1
crwdns2944067:03crwdne2944067:0

@bradnesbitt - Well… the good news is the USB-C port is working, the bad news the power logic within the logic board has failed. This will need someone to fix the logic board. Let me see if I can aim you to someone, hang tight!

crwdns2934271:0crwdnd2934271:0crwdne2934271:0

Thanks Dan! Appreciate your guidance!

crwdns2934271:0crwdnd2934271:0crwdne2934271:0

@bradnesbitt - Sadly I can’t find anyone within our listing with the needed skills. That’s not to say there aren’t people, just we don’t have a record of them.

crwdns2934271:0crwdnd2934271:0crwdne2934271:0

crwdns2934285:0crwdne2934285:0

crwdns2933315:02crwdne2933315:0

crwdns2934051:0crwdne2934051:0

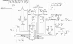
@bradnesbitt by your symptoms and the USB-C port values it looks like your issues are related to a short on PPBUS_G3H

Block Image

Measure the voltage on PPDCIN_G3H. If you are getting 5 V on that the most likely cause will be U7000. You would still have to check the voltage sensing resistors etc. :-)

Anyhow, give the Rossmann Repair Group a ring at (347) 552-2258 They are in Austin at 2410 San Antonio St Austin, TX 78705

crwdns2934105:0crwdne2934105:0

crwdns2889612:0crwdne2889612:0 2
crwdns2934285:0crwdne2934285:0
crwdns2934057:0crwdne2934057:0

Did you follow this guide? MacBook Air 13" Early 2020 Battery Replacement

To diagnose deeper you’ll need a USB-C power meter which is placed inline with your charger so you can see if the system is even accepting a charge. Then it’s just a matter of either replacing the USB-C port assembly MacBook Air 13" (Late 2018-Late 2020) USB-C Board or there is a deeper logic board issue which will likely need a more skilled person to fix.

crwdns2886500:0Replace a dirty, corroded, or damaged USB-C connector board from the left side of your laptop. This part is compatible with a Late 2018 to Late 2020 13" MacBook Air. Part #820-01161, 821-01658.crwdne2886500:0

crwdns2934075:0crwdne2934075:0

MacBook Air 13" (Late 2018-Late 2020) USB-C Board

$19.99

crwdns2934105:0crwdne2934105:0

crwdns2889612:0crwdne2889612:0 2

crwdns2944067:03crwdne2944067:0:

Thank you Dan for your guidance. I'll text the USBC port with a tester and go from there and will let you know outcome. If by chance it winds up being the logic board is there a reputable place to buy a used working one that doesn't cost an arm and a leg( yeah I know. It's apple)

crwdns2934271:0crwdnd2934271:0crwdne2934271:0

@bradnesbitt - There are techs which have the skills to fix your logic board at a lower cost that replacing it. Where do you live country and nearest major city, maybe we can aim you to someone.

crwdns2934271:0crwdnd2934271:0crwdne2934271:0

@danj In the question he said I'm in the San Antonio tx area ;)

crwdns2934271:0crwdnd2934271:0crwdne2934271:0

crwdns2934285:0crwdne2934285:0

crwdns2934229:0crwdne2934229:0

Brad Nesbitt crwdns2934231:0crwdne2934231:0
crwdns2936625:0crwdne2936625:0:

crwdns2936751:024crwdne2936751:0 0

crwdns2936753:07crwdne2936753:0 6

crwdns2936753:030crwdne2936753:0 32

crwdns2942667:0crwdne2942667:0 184