crwdns2933423:0crwdne2933423:0

The Nissan Rogue is a compact crossover SUV (sport utility vehicle) produced by Nissan, a Japanese automaker. The Rogue was first released in 2007 for the 2008 model year.

My brake lights won’t go off

My brake lights won’t go off

crwdns2934089:0crwdne2934089:0 crwdns2934093:0crwdne2934093:0

crwdns2934109:0crwdne2934109:0

crwdns2889612:0crwdne2889612:0 0
crwdns2934285:0crwdne2934285:0

crwdns2933313:01crwdne2933313:0

crwdns2934057:0crwdne2934057:0

Hi @edd53016

Check if the brake pedal stop light switch is OK and not permanently operated.

Here's a video that shows where it is located.

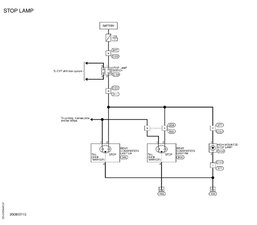
Below is an image from the 2009 Rogue service manual that shows the wiring diagram of how the stop light is operated.

To prevent the stop lights draining the battery, by being permanently on when the vehicle is not being driven, remove fuse #11 from the passenger compartment fuse block.

Block Image

(click on image)

crwdns2934105:0crwdne2934105:0

crwdns2889612:0crwdne2889612:0 1
crwdns2934285:0crwdne2934285:0

crwdns2934229:0crwdne2934229:0

Edd crwdns2934231:0crwdne2934231:0
crwdns2936625:0crwdne2936625:0:

crwdns2936751:024crwdne2936751:0 1

crwdns2936753:07crwdne2936753:0 4

crwdns2936753:030crwdne2936753:0 13

crwdns2942667:0crwdne2942667:0 89