crwdns2933423:0crwdne2933423:0

Why aren’t my fans spinning up?

I recently took apart my old 2008 Xbox to clean it. It works as intended, but soon overheats because fans won’t spin up. I replaced the fans thinking they were damaged but the same issues came up again. I honestly don’t know if they were working or not before I opened it up to clean it. So I’m thinking it’s a fan controller issue or some damage on the motherboard. Any help or guidance would be greatly appreciated.

Block Image

Update (07/15/23)

@oldturkey03 I think it’s a 2008 model, it’s black and uses the 203 watt power supply.

Block Image
crwdns2934089:0crwdne2934089:0 crwdns2934093:0crwdne2934093:0

crwdns2934109:0crwdne2934109:0

crwdns2889612:0crwdne2889612:0 0
crwdns2944067:03crwdne2944067:0

@cav02 do you know what model your 360is? Do you still have it apart? Post some good pictures of your boards with your question. That might help us to identify what you have going on there.

crwdns2934271:0crwdnd2934271:0crwdne2934271:0

@cav02 have you checked for power on the fan connector. It should start out at 5.4VDC then go to 11.8VDC. If you do not have that voltage, it is possible that the issue is the SMC fan control which drives the 2 PWM for the fans.

crwdns2934271:0crwdnd2934271:0crwdne2934271:0

@oldturkey03 do just use a multimeter to check the voltage of the fan header? Also what does the fan controller component look like on the motherboard?

crwdns2934271:0crwdnd2934271:0crwdne2934271:0

crwdns2934285:0crwdne2934285:0

crwdns2933313:01crwdne2933313:0

crwdns2934057:0crwdne2934057:0

@cav02 no you can't check the SMC that way. Let's see if find the schematic for your board and see which lines go where. Same with the PWM. Yes, use a multimeter and measure at the connector.

The 203W power supply was used on the Xenon/Zepher but that one was released in 2005. 2008 was JAsper

Block Image

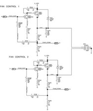
If we identified your board correctly then this is the schematic for the fan control

Block Image

crwdns2934105:0crwdne2934105:0

crwdns2889612:0crwdne2889612:0 1
crwdns2934285:0crwdne2934285:0

crwdns2934229:0crwdne2934229:0

Cav02 crwdns2934231:0crwdne2934231:0
crwdns2936625:0crwdne2936625:0:

crwdns2936751:024crwdne2936751:0 2

crwdns2936753:07crwdne2936753:0 6

crwdns2936753:030crwdne2936753:0 14

crwdns2942667:0crwdne2942667:0 400