crwdns2933423:0crwdne2933423:0

The 2014 version of the Galaxy Note 10.1", running a Exynos 5 processor and 3 Gb of ram. Released October 2013.

Screen powers on but does not load page

when I power the machine on the Samsung loading logo appears but once complete the screen is black except in the top right hand corner is the wifi connection, volume and time but the rest of the screen is black.

I have tried all the recommended combination for reloading but nothing works, then all of a sudden the home page sometimes appears.

Do I have a loose connection or is the machine on its last legs?

crwdns2934089:0crwdne2934089:0 crwdns2934093:0crwdne2934093:0

crwdns2934109:0crwdne2934109:0

crwdns2889612:0crwdne2889612:0 0
crwdns2934285:0crwdne2934285:0

crwdns2933313:01crwdne2933313:0

crwdns2934057:0crwdne2934057:0

Hi @howardant ,

With the tablet turned on but having a black display, try shining a torch at an angle close to the screen and check if you can detect any images at all.

They will be very faint if they are there, so trying this in a darkened room may help to see them.

If you can detect images then there is a backlight problem.

Here’s the Ifixit Samsung Galaxy Note 10.1 2014 Screen Replacement guide. This will help you to check if the display’s flex cable connection to the systemboard is secure.

If the cable is secure then you can either:

Replace the LCD screen and check if it now works OK . Search online for Galaxy Note 10.1 2014 LCD screen to find suppliers that suit you best.

OR

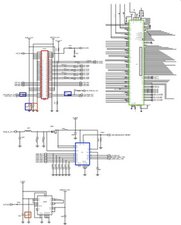
Use the No LCD troubleshooting section of the schematics for the tablet to locate whether the problem is on the systemboard or in the display assembly so you know whether a replacement display is required or that the problem is on the systemboard.

Block Image
Block Image
Block Image

(click on image to enlarge).

Hopefully this is of some help.

crwdns2934105:0crwdne2934105:0

crwdns2889612:0crwdne2889612:0 1
crwdns2934285:0crwdne2934285:0

crwdns2934229:0crwdne2934229:0

Anthony Levy crwdns2934231:0crwdne2934231:0
crwdns2936625:0crwdne2936625:0:

crwdns2936751:024crwdne2936751:0 0

crwdns2936753:07crwdne2936753:0 0

crwdns2936753:030crwdne2936753:0 11

crwdns2942667:0crwdne2942667:0 115