crwdns2933423:0crwdne2933423:0

The Dodge Dakota was developed by Chrysler as a mid-sized pickup. To keep investment low, many components were shared with existing Chrysler products and the manufacturing plant was shared with the full-sized Dodge D-Model.

Why is my gas gauge always on full?

Gas gauge stays on full

crwdns2934089:0crwdne2934089:0 crwdns2934093:0crwdne2934093:0

crwdns2934109:0crwdne2934109:0

crwdns2889612:0crwdne2889612:0 0
crwdns2934285:0crwdne2934285:0

crwdns2933315:02crwdne2933315:0

crwdns2934057:0crwdne2934057:0

Hi @donaldanto61141

Could be a sticking or faulty sending unit in the fuel pump module on top of the gas tank or a broken wire between the gas gauge and the sender unit.

The gas gauge will read full if the sender is disconnected for whatever reason.

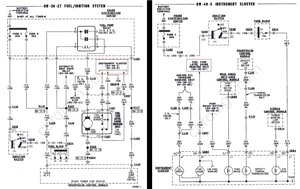
You didn't specify which year or engine so here's a composite image taken from the 1995 Dakota repair manual showing the fuel pump module for the 2.5L and 3.9L/5.2L engines and also an image showing the gas gauge wiring diagram that may help.

Block Image
Block Image

(click on images)

crwdns2934105:0crwdne2934105:0

crwdns2889612:0crwdne2889612:0 1
crwdns2934285:0crwdne2934285:0

Float in tank is stuck. You'd have to drop the tank to get to it unless there's an access point under the back seats or in the floor of the trunk. Also check the relays in case it's gone faulty.

crwdns2934105:0crwdne2934105:0

crwdns2889612:0crwdne2889612:0 0
crwdns2934285:0crwdne2934285:0

crwdns2934229:0crwdne2934229:0

Donald Antonio Haugabook crwdns2934231:0crwdne2934231:0
crwdns2936625:0crwdne2936625:0:

crwdns2936751:024crwdne2936751:0 0

crwdns2936753:07crwdne2936753:0 3

crwdns2936753:030crwdne2936753:0 29

crwdns2942667:0crwdne2942667:0 29