crwdns2933423:0crwdne2933423:0

This is the first generation of the Ford Escape, a compact crossover SUV. Production started in 2000 for the 2001 model year.

Cooling fans behind radiator

How to tell if my cooling fans are still good or not as my ac is not working and compressor is not turning on

crwdns2934089:0crwdne2934089:0 crwdns2934093:0crwdne2934093:0

crwdns2934109:0crwdne2934109:0

crwdns2889612:0crwdne2889612:0 0
crwdns2934285:0crwdne2934285:0

crwdns2933313:01crwdne2933313:0

crwdns2934057:0crwdne2934057:0

[br

@victor78282|new_window=true] if you just want to test the fans, you can just disconnect the wiring and connect that to battery voltage with some jumper cables. Or you can apply a jumper on the relays and see if your fans come on.

Block Image
Block Image

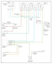
As for the rest of your AC issues, here is the wiring diagram for the AC Wiring 2001 2006 Ford EscapeAC circuit. You did not tell us what engine size your Escape is, so I added the 2.3l and the 3.0l schematics. You have not told us what you have already checked. Very first thing is that you want to make sure you have enough refrigerant and that you have checked your fuses (#19,#16,#2,#10,#5)

We will also need to know if this is a Manual HVAC system or if it has climate control.

crwdns2934105:0crwdne2934105:0

crwdns2889612:0crwdne2889612:0 1

crwdns2947414:01crwdne2947414:0:

Ditto on checking the refrigerant level first before anything else. I just spent a day troubleshooting the electrical system on my Ranger's A/C when I finally realized it had pressure cutoff switches that were keeping the compressor from coming on. Once I added a can of R134a, the compressor kicked in just fine.

crwdns2934271:0crwdnd2934271:0crwdne2934271:0

crwdns2934285:0crwdne2934285:0

crwdns2934229:0crwdne2934229:0

Victor crwdns2934231:0crwdne2934231:0
crwdns2936625:0crwdne2936625:0:

crwdns2936751:024crwdne2936751:0 1

crwdns2936753:07crwdne2936753:0 21

crwdns2936753:030crwdne2936753:0 21

crwdns2942667:0crwdne2942667:0 21