crwdns2933423:0crwdne2933423:0

Why is my 2008 Cobalt LS not starting

I turn the key and I get nothing. It doesn't do it all the time but it does it frequently. Replaced the starter and solenoid, checked connections at the starter, changed relays around, changed ignition switch, and even tried to bypass all that and put in a start button (that worked when it was installed but now it doesn't) it really has me stumped. Does anyone have any other suggestions for this problem?

crwdns2934081:0crwdne2934081:0 crwdns2934083:0crwdne2934083:0 crwdns2934093:0crwdne2934093:0

crwdns2934109:0crwdne2934109:0

crwdns2889612:0crwdne2889612:0 1
crwdns2934285:0crwdne2934285:0

crwdns2933313:01crwdne2933313:0

crwdns2934051:0crwdne2934051:0

Hi @joevenanzio

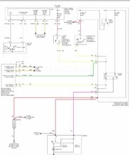
Do the appropriate instrument panel lights turn on when you operate the ignition key?

Here's the start circuit wiring diagram that may help you to find out why it's not cranking.

Block Image

(click on image)

crwdns2934105:0crwdne2934105:0

crwdns2889612:0crwdne2889612:0 2

crwdns2947414:01crwdne2947414:0:

Thanks for the diagram

crwdns2934271:0crwdnd2934271:0crwdne2934271:0

crwdns2934285:0crwdne2934285:0

crwdns2934229:0crwdne2934229:0

Joe Venanzio crwdns2934231:0crwdne2934231:0
crwdns2936625:0crwdne2936625:0:

crwdns2936751:024crwdne2936751:0 10

crwdns2936753:07crwdne2936753:0 23

crwdns2936753:030crwdne2936753:0 23

crwdns2942667:0crwdne2942667:0 23