crwdns2933423:0crwdne2933423:0

The Lexus RX is a mid-size luxury crossover SUV sold since 1998 by Lexus, the luxury division of Toyota.

Światła "Skandynawske" Jak wyłączyć?

Witam serdecznie. W moim Lexusie rx 300 z 2003 roku są światła "skandynawskie", tz świecą się światła mijania niezależnie od pozycji włącznika. W serwisie Toyoty nie umieli wyłączyć. Pomoże ktoś? Proszę . Pozdrawiam Hubert

Update (10/05/25)

"Scandinavian" Headlights - How to Turn Them Off?

Hello. My 2003 Lexus RX 300 has "Scandinavian" headlights, meaning the low beams stay on regardless of the switch position. Toyota service couldn't figure out how to turn them off. Can anyone help? Please. Best regards, Hubert

crwdns2934089:0crwdne2934089:0 crwdns2934093:0crwdne2934093:0

crwdns2934109:0crwdne2934109:0

crwdns2889612:0crwdne2889612:0 1
crwdns2934285:0crwdne2934285:0

crwdns2933313:01crwdne2933313:0

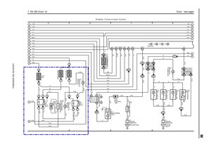
@hubertmichalak that is the "Daytime Running Light" (DRL) feature and can not be turned of by usual means. There will be a DRL voltage dropping/reducing resistor mounted under the battery bottom plate. You would need to unplug that. You could also look for the DRL transformer which should be in a black box with yellow warning such as "Caution Hot". Unplug the wire that connects to that box.

Translation

To funkcja „Świateł do jazdy dziennej” (DRL) i nie można jej wyłączyć w standardowy sposób. Pod dolną pokrywą akumulatora znajduje się rezystor obniżający napięcie DRL. Należy go odłączyć. Można również poszukać transformatora DRL, który powinien znajdować się w czarnej skrzynce z żółtym ostrzeżeniem, takim jak „Uwaga, gorąco”. Odłącz przewód łączący z tą skrzynką.

Block Image

crwdns2934105:0crwdne2934105:0

crwdns2889612:0crwdne2889612:0 0
crwdns2934285:0crwdne2934285:0

crwdns2934229:0crwdne2934229:0

Hubert Michalak crwdns2934231:0crwdne2934231:0
crwdns2936625:0crwdne2936625:0:

crwdns2936751:024crwdne2936751:0 11

crwdns2936753:07crwdne2936753:0 11

crwdns2936753:030crwdne2936753:0 11

crwdns2942667:0crwdne2942667:0 11