crwdns2933423:0crwdne2933423:0

Repair guides and support for the second generation of C/K pickup trucks.

Why are my tail and parking lights off

K1500 94Silverado - no tail or parking lights! All turn signals work! Ideas?

crwdns2934089:0crwdne2934089:0 crwdns2934093:0crwdne2934093:0

crwdns2934109:0crwdne2934109:0

crwdns2889612:0crwdne2889612:0 0

crwdns2947414:01crwdne2947414:0:

@myerwestmo42445 just to clarify. Your vehicle is a 1994 Chevrolet Silverado K1500 not anything in the 1967-1972 range? You've checked the fuses yet? What have you checked?

crwdns2934271:0crwdnd2934271:0crwdne2934271:0

crwdns2934285:0crwdne2934285:0

crwdns2933313:01crwdne2933313:0

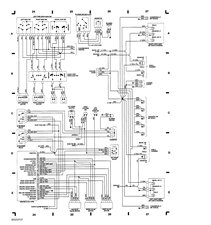
@myerwestmo42445 if it is a 1994 then use the 1994 CK TRUCK Lighting Systems part of the workshop manual. Rear lamp systems (taillamps, clearance lamps, endgate lamps, and license plate lamps) all receive voltage from the same brown wire circuit and share the same ground terminal located at the left rear side member or at the left side of the platform hitch. If only one system is not working, locate and repair the open in the wiring and/or bulbs that pertain to that system. If none of the rear lamp systems work, check the PARK LP fuse.

Block Image


crwdns2934105:0crwdne2934105:0

crwdns2889612:0crwdne2889612:0 0
crwdns2934285:0crwdne2934285:0

crwdns2934229:0crwdne2934229:0

Myer Westmoreland crwdns2934231:0crwdne2934231:0
crwdns2936625:0crwdne2936625:0:

crwdns2936751:024crwdne2936751:0 0

crwdns2936753:07crwdne2936753:0 13

crwdns2936753:030crwdne2936753:0 13

crwdns2942667:0crwdne2942667:0 13