crwdns2933423:0crwdne2933423:0

The 1999 Chevrolet S10 Xtreme was a factory-produced sport truck package. It features a lowered ZQ8 performance suspension, aggressive body styling and model-specific 16-inch alloy wheels.

stop lights not working

I have no stop lights check break light switch good it's blowing fuses

crwdns2934089:0crwdne2934089:0 crwdns2934093:0crwdne2934093:0

crwdns2934109:0crwdne2934109:0

crwdns2889612:0crwdne2889612:0 0
crwdns2934285:0crwdne2934285:0

crwdns2933313:01crwdne2933313:0

crwdns2934057:0crwdne2934057:0

@stevepucke73877 if it blows the fuses when you apply the brakes you have a short circuit. This will be either along the wiring harness or in the bulb socket. You will have to check by using a multimeter in ohm mode. If you are unfamiliar with this check something like this video and I would start on the light socket itself.

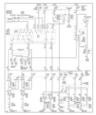
Here is the wiring diagram for the '99 S10 but it should work for the Xtreme as well

Block Image

crwdns2934105:0crwdne2934105:0

crwdns2889612:0crwdne2889612:0 2
crwdns2934285:0crwdne2934285:0

crwdns2934229:0crwdne2934229:0

Steve Puckett crwdns2934231:0crwdne2934231:0
crwdns2936625:0crwdne2936625:0:

crwdns2936751:024crwdne2936751:0 0

crwdns2936753:07crwdne2936753:0 4

crwdns2936753:030crwdne2936753:0 11

crwdns2942667:0crwdne2942667:0 33