crwdns2933423:0crwdne2933423:0

I think I short a fuse when changing the screen

I was careless when I swapped the screen and did not remove the battery thinking that powering it off would be enough. Unfortunately, the screen boots up with a barely visible Lenovo logo on startup. I know everything else is fine when I tested the laptop when I first got it. Browsing r/Thinkpad on Reddit it looks like I need to replace the SMD thing (unsure what this is), but looks like I have to solder something.

1) Is it possible to fix this? Do I need advanced soldering skills?

2) Is there a good tutorial to follow for this so I don't mess up further?

crwdns2934089:0crwdne2934089:0 crwdns2934093:0crwdne2934093:0

crwdns2934109:0crwdne2934109:0

crwdns2889612:0crwdne2889612:0 0

crwdns2947414:01crwdne2947414:0:

Model is 20L50067US based on ebay listing since I cant use bios to verify

crwdns2934271:0crwdnd2934271:0crwdne2934271:0

crwdns2934285:0crwdne2934285:0

crwdns2933315:02crwdne2933315:0

Hi @johnpork92418

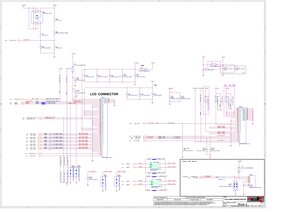
Seems like you may have blown the backlight power fuse.

Here's an image from the schematic showing the backlight fuse (highlighted)

Check if fuse F3 is blown. If it is search online for 3A_32V_ERBRD3R00X to find suppliers that suit you best. (examples only)

You can verify if the fuse is OK either by using an Ohmmeter (with the laptop turned off and the battery disconnected) or a Voltmeter (laptop turned on etc) - check for voltage on the LCD connector pins 23 →25

If the fuse is blown you will need smd (surface mount device) soldering skills and tools to remove/replace it.

Block Image

(click on image)

crwdns2934105:0crwdne2934105:0

crwdns2889612:0crwdne2889612:0 0
crwdns2934285:0crwdne2934285:0

@johnpork92418 that "thing" is most likely the backlight fuse since you still have a "barely visible Lenovo logo on startup". Now, we will need to know what the numbers on your motherboard are. We need to identify that first, then we need to find the schematic (it could be a ET480 NM-B501 motherboard) . Once we have all that we can check your backlight circuit and hopefully can show you where the fuse is and what to test. You also want to take some well focused pictures of your motherboard and post those with your question. That way we can see what you see.

You will need to test the fuse first to make sure it is the cause for this. There re many more components that can be causing this. By now you probably already figured out that you also need a multimeter. Nothing fancy but you will need one.

Yes, if it is the fuse, you will need to unsolder the old one and resolder a new one. Not sure what you mean by advanced soldering skills, but you will need good, solid skills. If you have not solder on a circuit board before, get an old board from somewhere and start practicing.

If your board is indeed a NM-B501 then there are actually 3 fuses you want to check. F3, F7 and F39

Block Image

Now, here is where your pictures will come in handy. I've used some that I found on the internet and marked the fuses the best I could. Well focused, large enough images, will always work better than what we randomly find :-)

Check those fuses for continuity or you can check F39 for voltage since it is on the side that is accessible with the motherboard still installed.

Block Image
Block Image

crwdns2934105:0crwdne2934105:0

crwdns2889612:0crwdne2889612:0 0
crwdns2934285:0crwdne2934285:0

crwdns2934229:0crwdne2934229:0

john_pork crwdns2934231:0crwdne2934231:0
crwdns2936625:0crwdne2936625:0:

crwdns2936751:024crwdne2936751:0 1

crwdns2936753:07crwdne2936753:0 17

crwdns2936753:030crwdne2936753:0 46

crwdns2942667:0crwdne2942667:0 185