crwdns2933423:0crwdne2933423:0

Repair guides and support for cars manufactured by Mahindra & Mahindra Limited.

Why is my temperature stop working in my Bolero slx

Bolero temperature stop working how to solve it

crwdns2934089:0crwdne2934089:0 crwdns2934093:0crwdne2934093:0

crwdns2934109:0crwdne2934109:0

crwdns2889612:0crwdne2889612:0 0
crwdns2947414:01crwdne2947414:0

@minthangkh47480 what year is your Bolero? What engine does it have?

crwdns2934271:0crwdnd2934271:0crwdne2934271:0

crwdns2934285:0crwdne2934285:0

crwdns2933313:01crwdne2933313:0

crwdns2934057:0crwdne2934057:0

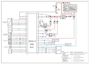
@minthangkh47480 could be caused by a faulty sensor or faulty gauge. Here is the location for the coolant temperature sensor. It is on the cylinder head

Block Image

Check the connector, the wiring and you can check the sensor with an ohmmeter as well.

The coolant temperature sensor send the signal to the ECU which in turn sends the signal to the cluster temp gauge

Block Image

crwdns2934105:0crwdne2934105:0

crwdns2889612:0crwdne2889612:0 1
crwdns2934285:0crwdne2934285:0

crwdns2934229:0crwdne2934229:0

minthang khongsai crwdns2934231:0crwdne2934231:0
crwdns2936625:0crwdne2936625:0:

crwdns2936751:024crwdne2936751:0 0

crwdns2936753:07crwdne2936753:0 4

crwdns2936753:030crwdne2936753:0 15

crwdns2942667:0crwdne2942667:0 57