crwdns2933423:0crwdne2933423:0
crwdns2947577:0crwdnd2947577:0crwdne2947577:0

The first FWD car to be exported to North America by Volvo

Radiator Fan not working.

How can i test my Volvo Radiator Fan 1994 volvo estate 850 T5 radiator fan to make sure it is working correctly.

crwdns2934081:0crwdne2934081:0 crwdns2934083:0crwdne2934083:0 crwdns2934093:0crwdne2934093:0

crwdns2934109:0crwdne2934109:0

crwdns2889612:0crwdne2889612:0 2
crwdns2934285:0crwdne2934285:0

crwdns2933313:01crwdne2933313:0

crwdns2934051:0crwdne2934051:0

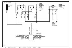
mike, you can disconnect the fan motor plug from the relay, and supply power and ground to the fan motor directly. If the fan runs, you probably have problems with the relay or the temperature sensor. The temp sensor is just below the thermostat in the lower thermostat housing near the power steering pump. The attached diagram show you the wiring for our Volvo> Hope this helps, good luck.

Block Image

crwdns2934105:0crwdne2934105:0

crwdns2889612:0crwdne2889612:0 2

crwdns2944067:03crwdne2944067:0:

Thank you so much oldturkey 03, the radiator fan is now working

crwdns2934271:0crwdnd2934271:0crwdne2934271:0

Thank you so much oldturkey 03, the radiator fan is now working,you are magnificent.

crwdns2934271:0crwdnd2934271:0crwdne2934271:0

Thank you for accepting my answer and you are welcome :-)

crwdns2934271:0crwdnd2934271:0crwdne2934271:0

crwdns2934285:0crwdne2934285:0

crwdns2934229:0crwdne2934229:0

mike crwdns2934231:0crwdne2934231:0
crwdns2936625:0crwdne2936625:0:

crwdns2936751:024crwdne2936751:0 4

crwdns2936753:07crwdne2936753:0 8

crwdns2936753:030crwdne2936753:0 16

crwdns2942667:0crwdne2942667:0 8,479