crwdns2933423:0crwdne2933423:0
crwdns2947577:0crwdnd2947577:0crwdne2947577:0

The Chevrolet Equinox is a compact crossover SUV from Chevrolet based on General Motors's Theta unibody platform, and introduced in 2004 for the 2005 model year.

Running tail lights don't work.

My Running Tail lights don't work but my brakes light work.. also my dash lights don't work either.. but my running headlights work fine.. only problem is my tail lights an dash lights

crwdns2934081:0crwdne2934081:0 crwdns2934083:0crwdne2934083:0 crwdns2934093:0crwdne2934093:0

crwdns2934109:0crwdne2934109:0

crwdns2889612:0crwdne2889612:0 0
crwdns2944067:02crwdne2944067:0

Hi @joshbeier

What year is the vehicle?

crwdns2934271:0crwdnd2934271:0crwdne2934271:0

@jayeff 2006 Chevy Equinox.. I checked all the lights they not blown.. break light work just not the running tail lights and dash lights don't work either.. been pulled over a few times because the running tail lights don't work

crwdns2934271:0crwdnd2934271:0crwdne2934271:0

crwdns2934285:0crwdne2934285:0

crwdns2933313:01crwdne2933313:0

crwdns2934051:0crwdne2934051:0

Hi @joshbeier

Here's a poor image of the exterior lights schematic and the instrument panel lights schematic for your model.

The best that I can work out is that for the taillights there may be a faulty connection in a junction box which is located near the radio??.

Not quite sure as I can't read it too well and my eyes are no good anyway.

You may have to zoom in a lot to read it.

Block Image

(click on image)

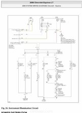
Looks like the instrument panel light power comes through the same connection block near the radio.

Here's an image of the schematic for it.

It might be a loose harness connection there.

Block Image

(click on image)

crwdns2934105:0crwdne2934105:0

crwdns2889612:0crwdne2889612:0 1
crwdns2934285:0crwdne2934285:0

crwdns2934229:0crwdne2934229:0

Josh Beier crwdns2934231:0crwdne2934231:0
crwdns2936625:0crwdne2936625:0:

crwdns2936751:024crwdne2936751:0 0

crwdns2936753:07crwdne2936753:0 1

crwdns2936753:030crwdne2936753:0 11

crwdns2942667:0crwdne2942667:0 120