crwdns2933423:0crwdne2933423:0

The Jeep Patriot is a compact crossover SUV made by Jeep.

How to troubleshoot the air-conditioning

I have a 2016 Jeep Patriot Latitude 2.0 and the air conditioner won't come on anymore, when i try to turn it on using the control panel nothing works no air comes from the vents at all so i replaced the blower motor, still nothing, replaced the blower motor resistor and still nothing, went to junk yard and got another control panel and still NOTHING ( now there is a possibility that the control panel i bought from the junk yard doesn't work so that is my next step is to get another one) but I was wondering if anyone else could give me any ideas of any other reason it could not be working? Oh and we checked all the fuses and the blower motor relay and all seem to work fine. My husband also says he can hear like the compressor try to come on but we don't feel anything because the blower motor isn't coming on even after replacing it with a brand new one from Autozone.

crwdns2934089:0crwdne2934089:0 crwdns2934093:0crwdne2934093:0

crwdns2934109:0crwdne2934109:0

crwdns2889612:0crwdne2889612:0 1
crwdns2934285:0crwdne2934285:0

crwdns2933313:01crwdne2933313:0

crwdns2934057:0crwdne2934057:0

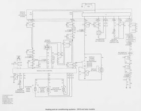
@rhondavas1977 there is one part that gives me personally a headache, that is the TIPM. Those have been disastrous for that series Jeep. They used to fail often and the signs and symptoms of that failure were vast. I know, I've been there and after many weeks of dealing with the engineers in Dearborn etc. it was determined to change the TIPM which fixed it all. To that time the cost was way high and the dealers made their fair share on my money :-). Anyhow, looking at the schematic

Block Image

I would definitely not rule it out.

Now, to test your AC from the electrical side, use this part from the workshop manual2014 HVAC Heating & Air Conditioning Service Information Compass & Patriot. There are draw backs since it is making a lot of reference to the scan tool. Not sure if you do have one or if you may get access to one. Just in case, I'll add Jeep Patriot Compass 2007 Through 2017 which is not as descriptive but hopefully will be useful to you as well.

Best of luck to you and keep us informed about how this works out!

crwdns2934105:0crwdne2934105:0

crwdns2889612:0crwdne2889612:0 1
crwdns2934285:0crwdne2934285:0

crwdns2934229:0crwdne2934229:0

Rhondavas1977 crwdns2934231:0crwdne2934231:0
crwdns2936625:0crwdne2936625:0:

crwdns2936751:024crwdne2936751:0 2

crwdns2936753:07crwdne2936753:0 8

crwdns2936753:030crwdne2936753:0 51

crwdns2942667:0crwdne2942667:0 261