crwdns2933423:0crwdne2933423:0

The Chevrolet Silverado is a line of trucks under the Chevrolet brand and manufactured by General Motors. Mechanically, the GMC Sierra and Chevrolet Silverado are identical.

cruse control will not engage

CC used to work intermittently but now not at all

crwdns2934089:0crwdne2934089:0 crwdns2934093:0crwdne2934093:0

crwdns2934109:0crwdne2934109:0

crwdns2889612:0crwdne2889612:0 0
crwdns2934285:0crwdne2934285:0

crwdns2933315:02crwdne2933315:0

crwdns2934057:0crwdne2934057:0

Unless you have working wiring diagrams and knowledge of vehicle electronics, troubleshooting faulty cc can be as easy as a faulty brake switch or as difficult as a broken wire anywhere; steering wheel cc switch, clockspring containing wires to allow several turns of the steering wheel without stressing wires, wiring to either a body control module or ecm, damaged/worn cc switches.

crwdns2934105:0crwdne2934105:0

crwdns2889612:0crwdne2889612:0 1
crwdns2934285:0crwdne2934285:0

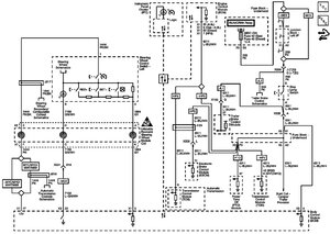
@bruju2 this is just to augment the previous answer. Images can't be posted in comments, so I had to post is as an answer. Here is the Cruise Control wiring diagram for a 2010 Silverado

Block Image

crwdns2934105:0crwdne2934105:0

crwdns2889612:0crwdne2889612:0 0
crwdns2934285:0crwdne2934285:0

crwdns2934229:0crwdne2934229:0

bruju2 crwdns2934231:0crwdne2934231:0
crwdns2936625:0crwdne2936625:0:

crwdns2936751:024crwdne2936751:0 0

crwdns2936753:07crwdne2936753:0 3

crwdns2936753:030crwdne2936753:0 9

crwdns2942667:0crwdne2942667:0 61