crwdns2933423:0crwdne2933423:0

No power indication on Power Connector

Model: 17-cb1055cl

Product ID: 1X445UA#ABA

Core i7-10750H - GeForce RTX 2070 - 1080p

Not white or amber. Tried a different power supply; no joy. Opened the laptop and measured the voltage on the 20 pin connector that goes from the Power connector to the motherboard, and it measures 19.6 volts.

Removed and tested the SSD and HDD. Both work. (I backed up both while I had them out of the laptop.)

Update (07/07/24)

This is for oldturkey03 ---

I started disassembling my HP Omen 17, and came up with the following designation from the motherboard, as you instructed:

GPC72 LA-J672P

Rev: 1.0

2020-03-26

Made In China

Let me give you a few of my thoughts and delineated abilities.

1) I have done a fair amount of PC board soldering, but none of in on surface mount devices.

2) This laptop is very nice (when it works), and has three display surfaces: the laptop and 2 external HDMI monitors. (It runs Linux Mint 20.)

3) If the motherboard should be replaced, so be it. Please advise.

4) I managed to crack the little blue connector at the top of the second photo - it connects to the thermal sensor - (JIR1).

It is a six conductor ribbon on a reverse ZIF.

5) If I replace the motherboard, can I remove the processor from the old motherboard, or does the new motherboard have a new processor?

Block Image
Block Image
Block Image
Block Image
Block Image

George Bochar

Update (07/13/24)

Dear oldturkey03,

Like a fool, I didn't save my last post, so I am doing it all over again.

I am going to post an answer, rather than risk losing my comment again (and this time I will save the text).

There are 19 photos which have been uploaded to the media center. They represent the component side and solder (for lack of a more descriptive designation) of the mother board. The zoomed out component side (with the Fluke meter) is followed by details of the component side.

The zoomed out solder side is followed by detailed photos of same.

If you can help me to troubleshoot this motherboard, that would be very kind of you. As you indicated earlier, a new motherboard would also contain the processor and Nvidia; so that is not a viable option. Since I really don't have the skill to do surface mount soldering (except very limited), would you be able

and willing to suggest some party who could handle this for me. I live in the mid-West.

Thank you for your patience.

Blessings,

George

Block Image
Block Image
Block Image
Block Image
Block Image
Block Image
Block Image
Block Image
Block Image
Block Image
Block Image
Block Image
Block Image
Block Image
Block Image
Block Image
Block Image
Block Image
Block Image
Block Image
Block Image
Block Image
Block Image
Block Image
Block Image
Block Image
Block Image
Block Image
Block Image

Update (07/14/24)

Dear oldturkey03,

You requested better detail on IC UV42 and UV47. The two new photos are different views of these two chips.

Block Image
Block Image
crwdns2934089:0crwdne2934089:0 crwdns2934093:0crwdne2934093:0

crwdns2934109:0crwdne2934109:0

crwdns2889612:0crwdne2889612:0 2
crwdns2947414:01crwdne2947414:0

@georgebochar just thought of something. Where did you measure "on the 20 pin connector " this? On the board connector?

crwdns2934271:0crwdnd2934271:0crwdne2934271:0

crwdns2934285:0crwdne2934285:0

crwdns2933313:01crwdne2933313:0

crwdns2934057:0crwdne2934057:0

@georgebochar we need to know what motherboard your HP Omen 17 has. It will be written on the board.

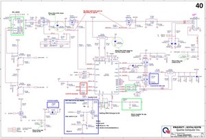
This sounds like you are having issues with the power circuitry on the board. Could be as simple as a power fuse to as complicated as finding a failed MOSFET or voltage regulator. Post some really well focused and large images of your motherboard with your question so that we can try and assist you further with this. You will need a multi-meter and the right component layout file to narrow the issue down. You'll be looking at things like this

Block Image

which is for a HP OMEN 17 DAG37AMB8D0 board

Adding images to an existing question

Update (07/23/24)

@georgebochar UV42 is a FET multiplexer and i don't think that is the issue. Of course, you need to test it to see if you get power to it. Here is the datasheet CU257 Multiplexer Check the VCC voltage on that. K2M40 with the SOT-25 package looks like a XC6366 and it is a DC/DC PwM controller. Check the voltage for VDD and Vout. Here is the datasheet for that XC6366 V2

crwdns2934105:0crwdne2934105:0

crwdns2889612:0crwdne2889612:0 2

crwdns2944067:011crwdne2944067:0:

Please help. I replied to oldturkey03 - a rather lengthy reply with 2 jpg's. I received a reply from Miranda P stating that I should "we don't have any information regarding the post you are replying to".

How can I reply to oldturkey03???

I would really like to continue this thread, but am not sure how to do so.

Did I close the post when I accepted the answer?

Would you please reply, "oldturkey03"? I need your further wisdom.

George

crwdns2934271:0crwdnd2934271:0crwdne2934271:0

@georgebochar not sure where you replied to me but I most certainly do not show any images from you anywhere, nor do i know who Miranda P is. You may need to research this. Anyhow, we still need to see what you got going on there. Post your images with your Question and you still need to identify or motherboard for us.

crwdns2934271:0crwdnd2934271:0crwdne2934271:0

@georgebochar the processor is soldered, so if you replace the motherboard, the processor will be on the board.

I am so sorry but we will need some better focused images. We need to zoom in quite a bit to determine the components and pathways etc. Images need to be well focused and taken straight on. We can't see what is going on when the images are angled.

I have not yet found a schematic for your board which is a Compal LA-J672P

crwdns2934271:0crwdnd2934271:0crwdne2934271:0

crwdns2934271:0crwdnd2934271:0crwdne2934271:0

@georgebochar what are we missing? Where did we leave off? Where are you now with the diagnostics.

crwdns2934271:0crwdnd2934271:0crwdne2934271:0

crwdns2934275:06crwdne2934275:0

crwdns2934285:0crwdne2934285:0

crwdns2934229:0crwdne2934229:0

George Bochar crwdns2934231:0crwdne2934231:0
crwdns2936625:0crwdne2936625:0:

crwdns2936751:024crwdne2936751:0 3

crwdns2936753:07crwdne2936753:0 7

crwdns2936753:030crwdne2936753:0 28

crwdns2942667:0crwdne2942667:0 292