crwdns2933423:0crwdne2933423:0
crwdns2947577:0crwdnd2947577:0crwdne2947577:0

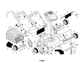
Explore detailed information and repair guides for the Craftsman Walk Behind Mower 917.389010, a gas-powered lawn mower with a 125cc 4-cycle engine. The 21-inch mower offers adjustable cutting heights, a rear bag for grass collection, foldable handles for compact storage, and easy-access operator controls.

replace the rear axle

how do I replace the rear axle

crwdns2934089:0crwdne2934089:0 crwdns2934093:0crwdne2934093:0

crwdns2934109:0crwdne2934109:0

crwdns2889612:0crwdne2889612:0 0
crwdns2934285:0crwdne2934285:0

crwdns2933313:01crwdne2933313:0

Greetings John,

The Bad News - Unfortunately the part from sears parts is no longer available. I wasn't satisfied with that answer so.

Sears Part Link

The Great news - I did source you some used parts you can purchase from ebay that will fit your machine.

Ebay Part 1

Ebay Part 2

I hope this helps you out, i am including the diagram for you mower. If I can help out any other way just post back.

Cheers!!

Moe

Block Image

crwdns2934105:0crwdne2934105:0

crwdns2889612:0crwdne2889612:0 0
crwdns2934285:0crwdne2934285:0

crwdns2934229:0crwdne2934229:0

John Heithoff crwdns2934231:0crwdne2934231:0
crwdns2936625:0crwdne2936625:0:

crwdns2936751:024crwdne2936751:0 0

crwdns2936753:07crwdne2936753:0 2

crwdns2936753:030crwdne2936753:0 6

crwdns2942667:0crwdne2942667:0 107