crwdns2933423:0crwdne2933423:0

The Chevrolet Silverado is a line of trucks under the Chevrolet brand and manufactured by General Motors. Mechanically, the GMC Sierra and Chevrolet Silverado are identical.

Power windows and door ajar.

My left rear power window isn't working and my left rear door says door open when door is closed.

crwdns2934081:0crwdne2934081:0 crwdns2934083:0crwdne2934083:0 crwdns2934093:0crwdne2934093:0

crwdns2934109:0crwdne2934109:0

crwdns2889612:0crwdne2889612:0 0
crwdns2934285:0crwdne2934285:0

crwdns2933313:01crwdne2933313:0

crwdns2934051:0crwdne2934051:0

@alexhernan47451 two separate issues same door. Makes me wonder if this is a wiring issue. Before doing anything else. check the harness going into the door for any damage. See if there are any broken wires etc.

Update (02/19/24)

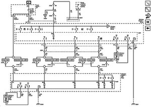
Here is the schematic for your Silverado. It'll give you an idea which wires to test. It could be your switch, so check that first.

Block Image

crwdns2934105:0crwdne2934105:0

crwdns2889612:0crwdne2889612:0 1

crwdns2944067:02crwdne2944067:0:

I did check wires and they are clean no corrosion or wires disconnected. I'm really confused. Really can't afford to take dealership.

crwdns2934271:0crwdnd2934271:0crwdne2934271:0

@alexhernan47451 I just checked the wiring diagram and those two things are not connected. DO you think you can get the door panel off so you can take a look at the switch, and the motor for the power window? I'll check for a relay etc and see if we can figure it out.

crwdns2934271:0crwdnd2934271:0crwdne2934271:0

crwdns2934285:0crwdne2934285:0

crwdns2934229:0crwdne2934229:0

Alex Hernandez Jr crwdns2934231:0crwdne2934231:0
crwdns2936625:0crwdne2936625:0:

crwdns2936751:024crwdne2936751:0 3

crwdns2936753:07crwdne2936753:0 4

crwdns2936753:030crwdne2936753:0 30

crwdns2942667:0crwdne2942667:0 300