crwdns2933423:0crwdne2933423:0

The Sony Cyber-Shot DSC-W110 belongs to the DSC-W series and was released Jan 23, 2008. It has a 7.2 MP camera and 15 MB of internal memory storage and supports multiple variations of flash memory

Sony Cyber-shot DSC-W110 My flash does not working

My flash does not working. Eventho i have initialize it. Anyone know how?

crwdns2934089:0crwdne2934089:0 crwdns2934093:0crwdne2934093:0

crwdns2934109:0crwdne2934109:0

crwdns2889612:0crwdne2889612:0 0
crwdns2934285:0crwdne2934285:0

crwdns2933313:01crwdne2933313:0

crwdns2934057:0crwdne2934057:0

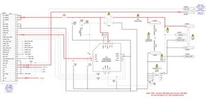
@insyirah is it safe to assume that your camera gave you a Self-diagnosis Code E : 91 : 01 since you initialized the flash. You have not told us yet what you have checked. All of your Flash components are connected to the ST-180 board. You would have to disassemble your camera and check it out. It could be as simple as the flash itself or as complex as teh Flash controller IC board. The first thing I would definitely check is the large charging capacitor. Until you have your camera disassembled and check things out, everything will just be a guess.

Block Image

Use this Sony DSC W110 Level 2 to work on your camera.

crwdns2934105:0crwdne2934105:0

crwdns2889612:0crwdne2889612:0 1
crwdns2934285:0crwdne2934285:0

crwdns2934229:0crwdne2934229:0

insyirah crwdns2934231:0crwdne2934231:0
crwdns2936625:0crwdne2936625:0:

crwdns2936751:024crwdne2936751:0 2

crwdns2936753:07crwdne2936753:0 7

crwdns2936753:030crwdne2936753:0 18

crwdns2942667:0crwdne2942667:0 326