crwdns2933423:0crwdne2933423:0
crwdns2947577:0crwdnd2947577:0crwdne2947577:0

The second generation of the Recreational Active Vehicle with 4-Wheel Drive, commonly known as the RAV4.

Why Central locking is not working

Central locking faulty

crwdns2934081:0crwdne2934081:0 crwdns2934083:0crwdne2934083:0 crwdns2934093:0crwdne2934093:0

crwdns2934109:0crwdne2934109:0

crwdns2889612:0crwdne2889612:0 0
crwdns2944067:02crwdne2944067:0

Hi @manuelanos

What is the year model of the vehicle?

crwdns2934271:0crwdnd2934271:0crwdne2934271:0

It is a 2003/07 model

crwdns2934271:0crwdnd2934271:0crwdne2934271:0

crwdns2934285:0crwdne2934285:0

crwdns2933313:01crwdne2933313:0

crwdns2934051:0crwdne2934051:0

Hi @manuelanos

Not sure if you meant central locking using the ignition fob key or the door switches.

Are the hazard lights blinking when you unlock/lock the doors using the ignition fob key?

If not have you checked/changed the battery in the key to see if that worked?

Have you checked if the 20A Door fuse #31 in the instrument panel fuse block is OK?

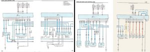
If both the key and the fuse are OK here's the wiring diagrams for the power door lock circuits that may help.

Block Image

(click on image)

crwdns2934105:0crwdne2934105:0

crwdns2889612:0crwdne2889612:0 1

crwdns2947414:01crwdne2947414:0:

Hi @jayeff, Greatly appreciate your time and effort to help me. I will use the information you supplied to troubleshoot this issue. Thankyou for the schematics too.

crwdns2934271:0crwdnd2934271:0crwdne2934271:0

crwdns2934285:0crwdne2934285:0

crwdns2934229:0crwdne2934229:0

Manuel Anos crwdns2934231:0crwdne2934231:0
crwdns2936625:0crwdne2936625:0:

crwdns2936751:024crwdne2936751:0 5

crwdns2936753:07crwdne2936753:0 18

crwdns2936753:030crwdne2936753:0 76

crwdns2942667:0crwdne2942667:0 795