crwdns2933423:0crwdne2933423:0

Repair guides, user manuals and services for the Asus ROG Zephyrus G14 laptop. The Zephyrus G14 is a 14-inch Ryzen-powered gaming laptop, first released in mid-2020.

Asus ROG Zephyrus G14 2021

I have a g14 zephyrus 2021 laptop that doesn't power on, I found a 30 ohm smd resistor that is reading a very high resistance under the logic board near the DC in jack and a 4.7 ohm smd resistor that is burned near the battery charging IC, I tried replacing both resistors though the 30 ohm goes bad after putting power to the logic board, the second mosfet near the DC in jack is reading 4.3 volts and the mosfet before it, there is no voltage in the gate. The 30 ohm resistor, there is 20 volts going in and the other side is about 2 volts, I remove the resistor and put 1volt into the other end, which draws 300mA, there a smd component between the two mosfets near the power in jack that has 4 pins and gets hot, I found a short on this component. I attached a picture of it, one part reads like a diode. Do anyone know what this is?

Block Image
crwdns2934081:0crwdne2934081:0 crwdns2934083:0crwdne2934083:0 crwdns2934093:0crwdne2934093:0

crwdns2934109:0crwdne2934109:0

crwdns2889612:0crwdne2889612:0 1
crwdns2944067:04crwdne2944067:0

@andyversluys not sure where your picture went to, but it's not with your Question. Follow this guide Adding images to an existing question to add pictures.

You may also point out where the rest of the components are situated on your motherboard.

crwdns2934271:0crwdnd2934271:0crwdne2934271:0

Thank you, I uploaded the picture but didn't add it to my post.

crwdns2934271:0crwdnd2934271:0crwdne2934271:0

Thank you for seeking out the component datasheet.

I removed the component and tested it again. It is pin 2 and 4 that are giving me a resistance of 2.6 ohms.

The board is a GA401QM R1.6

crwdns2934271:0crwdnd2934271:0crwdne2934271:0

@andyversluys the data sheet has all the information about this component that you can measure. If you think it is the component that is short Get a replacement from Digikey or Mouser and many other place. and see if that fixes it.

crwdns2934271:0crwdnd2934271:0crwdne2934271:0

crwdns2934285:0crwdne2934285:0

crwdns2933313:01crwdne2933313:0

crwdns2934051:0crwdne2934051:0

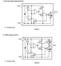
@andyversluys not necessarily shorted. The PLK marking would make this a Seiko voltage detector. That would also explain what you referred to as a "one part reads like a diode"

Block Image
Block Image

Check the datasheet S1000 E 1920173

Let us know what your exact board number is.

Update (10/06/23)

@andyversluys The component is reference designator PU9004

Block Image

and it is a S-1000N25-I4T1U voltage detector. I only have the schematic for R1.4 but it should still have what you need Asus G14 GA401QM SchematicGA401QM REV1.4 BoardView

I do not know if Acrobat Reader will zoom in far enough for you to read the BV. I use a different viewer and have to go to 2000% zoom to see the smallest components.

Anyhow, best of luck with your repair.

crwdns2934105:0crwdne2934105:0

crwdns2889612:0crwdne2889612:0 2

crwdns2947414:01crwdne2947414:0:

Thank you for the boardview and info on the component, this will help me a lot on troubleshooting thus laptop.

crwdns2934271:0crwdnd2934271:0crwdne2934271:0

crwdns2934285:0crwdne2934285:0

crwdns2934229:0crwdne2934229:0

Andy Versluys crwdns2934231:0crwdne2934231:0
crwdns2936625:0crwdne2936625:0:

crwdns2936751:024crwdne2936751:0 3

crwdns2936753:07crwdne2936753:0 11

crwdns2936753:030crwdne2936753:0 33

crwdns2942667:0crwdne2942667:0 1,141