crwdns2933423:0crwdne2933423:0

A color version of the Nintendo Game Boy, released in 1998. Repair of this device is straightforward.

Powers on but no display

I replaced the screen but still had no display. After observing the mother board I found a capacitors that dosnt look right, I don't know what this board does. Please help.

Block Image
Block Image
crwdns2934089:0crwdne2934089:0 crwdns2934093:0crwdne2934093:0

crwdns2934109:0crwdne2934109:0

crwdns2889612:0crwdne2889612:0 1
crwdns2934285:0crwdne2934285:0

crwdns2933313:01crwdne2933313:0

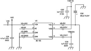
@justenmoody U5 (yes, the whole board is U5) should be the power supply board regulator board. It supplies the 5V and 13.6V and -15V. The 13.6V and -15V are used to power your screen. I have not found a schematic for this yet. There are replacements out there (not cheap). Something like this will work since it supplies the same voltages. You can't use the ones for the IPS screen since they only require 5V for the LCD.

Looking at the schematics

Block Image

you would probably get away with replacing your board with any buck converter that supplies the required voltages. I was thinking that something like this might work. BTW VCC is your battery voltage.

Just out of curiosity, have you tried to solder it back on the way it belongs and measured the output? It will not work the way it is :-)

Block Image

crwdns2934105:0crwdne2934105:0

crwdns2889612:0crwdne2889612:0 0

crwdns2944067:03crwdne2944067:0:

I'm aware, like I said I thought that was the issue. I did try to solder it back however it went mac-Jesus across my kitchen counter so have to buy a new one

crwdns2934271:0crwdnd2934271:0crwdne2934271:0

@justenmoody do you have a multimeter that measures capacitance? If so, measure the other component and try to replace your missing one with the same value.

Yes, I knew you were aware of that but just did not know that you had lost the part. Apologies for my oversight

crwdns2934271:0crwdnd2934271:0crwdne2934271:0

I just got a used one the other day so going to test it during my weekend. I remember reading somewhere that it's a 0.1 uf which is small af.

crwdns2934271:0crwdnd2934271:0crwdne2934271:0

crwdns2934285:0crwdne2934285:0

crwdns2934229:0crwdne2934229:0

Justen Moody crwdns2934231:0crwdne2934231:0
crwdns2936625:0crwdne2936625:0:

crwdns2936751:024crwdne2936751:0 0

crwdns2936753:07crwdne2936753:0 13

crwdns2936753:030crwdne2936753:0 34

crwdns2942667:0crwdne2942667:0 314