crwdns2933423:0crwdne2933423:0
crwdns2947577:0crwdnd2947577:0crwdne2947577:0

The Bajaj Discover is a motorcycle brand by Bajaj Auto. Currently there are four variants of Discover- Discover 100 DTS-Si,Discover 125 DTS-i,Discover 125ST and Discover 150 DTS-i.

Connection from the battery

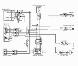
How to connect wires to the indicators and horn and lights

crwdns2934089:0crwdne2934089:0 crwdns2934093:0crwdne2934093:0

crwdns2934109:0crwdne2934109:0

crwdns2889612:0crwdne2889612:0 3

crwdns2944067:05crwdne2944067:0:

Discover 100 wiring problem

crwdns2934271:0crwdnd2934271:0crwdne2934271:0

Sefp kam nhi kar rha hai

crwdns2934271:0crwdnd2934271:0crwdne2934271:0

Bajaj discover 100 CC ki wiring kaise karen

crwdns2934271:0crwdnd2934271:0crwdne2934271:0

Horen not work

crwdns2934271:0crwdnd2934271:0crwdne2934271:0

Horen not working

crwdns2934271:0crwdnd2934271:0crwdne2934271:0

crwdns2934285:0crwdne2934285:0

crwdns2933313:01crwdne2933313:0

@roshan51846 you are not giving us a lot of information here. I would expect more than just a few words if you are seriously trying to fix your motorcycle. Anyhow, there should be a wiring harness connecting this all together. IF there are individual things that are disconnected or not working, use the schematics to trace the errors.

Block Image
Block Image
Block Image

While you work on your motorcycle, take lots of pictures. Once you are done with it, take those pictures and create a guide for iFixit. That will help the next person that has the same problem as you do. It's easy and fun to create these guides. https://ifixit.com/Guide/new The iFixit community will appreciate this.

Repair is War on Entropy!

crwdns2934105:0crwdne2934105:0

crwdns2889612:0crwdne2889612:0 0
crwdns2934285:0crwdne2934285:0

crwdns2934229:0crwdne2934229:0

Roshan crwdns2934231:0crwdne2934231:0
crwdns2936625:0crwdne2936625:0:

crwdns2936751:024crwdne2936751:0 11

crwdns2936753:07crwdne2936753:0 60

crwdns2936753:030crwdne2936753:0 149

crwdns2942667:0crwdne2942667:0 2,171