crwdns2933423:0crwdne2933423:0

2.4GHz, 2.7GHz, or 2.8GHz quad-core Intel Core i7 processor (Turbo Boost up to 3.8GHz) with 6MB shared L3 cache. Released February 2013.

Location audio ic on the board

Dear all,

I’m trying to find the Audio controller/ic on the board. Does anyone know were it is located? I’m trying to diagnose an issue on my MacBook that it is not able to find any audio input/output device.

Already tried all possible resets and reinstalls.

Also under bootcamp no succes!

Thank you in advance

Block Image
Block Image
crwdns2934081:0crwdne2934081:0 crwdns2934083:0crwdne2934083:0 crwdns2934093:0crwdne2934093:0

crwdns2934109:0crwdne2934109:0

crwdns2889612:0crwdne2889612:0 1
crwdns2944067:02crwdne2944067:0

@jaapnieland you can either post a picture (both sides) of your logic board with your QUESTION or let us know what 820-xxxx your logic board is. If you can post pictures, we can point it out for you.

Adding images to an existing question

crwdns2934271:0crwdnd2934271:0crwdne2934271:0

Thanks for being so swift! I can’t take out the board right away, but it is an early 2013, 2.8ghz model. I have added a picture of the board. The 820 number were can I find that? According to google tho it should be 820-3332-A if you need more I will also upload it. Again appreciate the support!

crwdns2934271:0crwdnd2934271:0crwdne2934271:0

crwdns2934285:0crwdne2934285:0

crwdns2933313:01crwdne2933313:0

crwdns2934051:0crwdne2934051:0

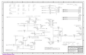
@jaapnieland for the 820-3332 I show this to be a Cirrus Logic CS4206B. That would be reference designator U6201 and is located on the other side. Never fails right :-)

Block Image

I do recognize that this is not going to help your diagnosis but it directly answers your question about the location.

Update (08/03/23)

@jaapnieland this could be of some interest to your diagnostic

Block Image

crwdns2934105:0crwdne2934105:0

crwdns2889612:0crwdne2889612:0 0

crwdns2944067:02crwdne2944067:0:

Thanks a ton! I was first going through ifixit’s teardowns but they didn’t list it.

I will try to purchase one to replace it and see if that resolves the matter.

Again appreciate the support!

crwdns2934271:0crwdnd2934271:0crwdne2934271:0

@jaapnieland hope it'll work out for you. Best of luck with your repairs. Remember;-)

Repair is War on Entropy

crwdns2934271:0crwdnd2934271:0crwdne2934271:0

crwdns2934285:0crwdne2934285:0

crwdns2934229:0crwdne2934229:0

Jaap Nieland crwdns2934231:0crwdne2934231:0
crwdns2936625:0crwdne2936625:0:

crwdns2936751:024crwdne2936751:0 0

crwdns2936753:07crwdne2936753:0 3

crwdns2936753:030crwdne2936753:0 16

crwdns2942667:0crwdne2942667:0 178