crwdns2933423:0crwdne2933423:0

The Lenovo ThinkPad T495 (Model number: 20NK-S3CV0K) was released in May 2019 alongside the ThinkPad T495s. This laptop features an AMD Ryzen 7 Pro 3700U Processor with a 14'' display.

I think I have killed by trying fuse

Hello all,

I have a similar problem.

Lenovo T495,

Display renewed

Switched on everything great,

Then display was dark, I think I have killed by trying fuse.

Can someone help me where the display fuse is located?

Dark display, but you can recognize Lenovo's logo when starting the device

Block Image

for better view:

Block Image
Block Image
Block Image
Block Image

for better view:

Block Image
Block Image
Block Image
crwdns2934089:0crwdne2934089:0 crwdns2934093:0crwdne2934093:0

crwdns2934109:0crwdne2934109:0

crwdns2889612:0crwdne2889612:0 1
crwdns2934285:0crwdne2934285:0

crwdns2933313:01crwdne2933313:0

@rudi50090 your images are to small and definitely not clear. It makes it very difficult to zoom in to evaluate those components. Post a couple of good ones and focus on the area around the display adapter connector. Straight up and down with no artistic expressions work best :-)

Anyhow, there are a few fuses for your display. Check those for continuity with your meter (once we have better pictures, we can point them out). Since you have your board out, you may have to reinstall it at a later point so you can measure the voltages.

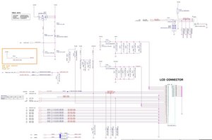
Block Image

The schematic maybe hard to see. Save it to your computer and open with your graphics viewer.

crwdns2934105:0crwdne2934105:0

crwdns2889612:0crwdne2889612:0 0
crwdns2934285:0crwdne2934285:0

crwdns2934229:0crwdne2934229:0

Rudi crwdns2934231:0crwdne2934231:0
crwdns2936625:0crwdne2936625:0:

crwdns2936751:024crwdne2936751:0 1

crwdns2936753:07crwdne2936753:0 2

crwdns2936753:030crwdne2936753:0 11

crwdns2942667:0crwdne2942667:0 258