crwdns2933423:0crwdne2933423:0
crwdns2947577:0crwdnd2947577:0crwdne2947577:0

The 1998 version is based on the original Beetle but, in comparison with the old model of the vehicle, it is way more spacious and equipped with more advanced features.

Windshield Wipers not working

So I bought a used 1998 VW, but the guy said he couldn't figure out the windshield wipers, but he bought a new motor for it. So it's in there, but the wires are just loose in the engine bay and I'm not sure what to do?

crwdns2934089:0crwdne2934089:0 crwdns2934093:0crwdne2934093:0

crwdns2934109:0crwdne2934109:0

crwdns2889612:0crwdne2889612:0 0
crwdns2934285:0crwdne2934285:0

crwdns2933315:02crwdne2933315:0

Hi @jasonf20872

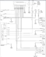
Here are some images taken from the 1998 VW Beetle service manual showing the wiper/washer wiring diagrams that may help.

Block Image
Block Image

(click on image)

crwdns2934105:0crwdne2934105:0

crwdns2889612:0crwdne2889612:0 0
crwdns2934285:0crwdne2934285:0

My Haynes manual has a slightly different wiring diagram for the 1998 version than it does for 1999 and on, which it says Jayeff's diagram is.

Block Image

According to mine there are five wires going to the motor.

Green
Green/Yellow
Green/Black
Black/Gray
Brown

The connector should look something like this, I believe.

Block Image

crwdns2934105:0crwdne2934105:0

crwdns2889612:0crwdne2889612:0 0

crwdns2947414:01crwdne2947414:0:

Hi @dadibrokeit,

The source I used stated it was for the 1998-2002 models but no doubt yours is more accurate

Cheers

crwdns2934271:0crwdnd2934271:0crwdne2934271:0

crwdns2934285:0crwdne2934285:0

crwdns2934229:0crwdne2934229:0

Jason F crwdns2934231:0crwdne2934231:0
crwdns2936625:0crwdne2936625:0:

crwdns2936751:024crwdne2936751:0 2

crwdns2936753:07crwdne2936753:0 22

crwdns2936753:030crwdne2936753:0 41

crwdns2942667:0crwdne2942667:0 450