crwdns2933423:0crwdne2933423:0

Backlight stops working on Philips 55PUS7303

Hi all, I wonder if you can help me.

I've been noticing the screen on my 2019 tv getting a bit darker on the upper and lower edges of the screen, but hardly noticeable unless on a bright equal picture, so thought its normal (tv never had uniform white either way).

Then yesterday the backlight gave up while on. A full power cycle has it turn back on for a second and it shuts itself off again. Picture and sound are working.

I opened the back panel to see if there's something looking off but it appears fine. I can do a voltage reading but I'm not sure what values I'd be looking for.

Thanks in advance!

Block Image
Block Image

Update (05/17/23)

Sorry, couldn't upload photos in a comment so adding an answer.

@uwn8r5maruubj3n the first thing I would do I measure the DC voltage on the Backlight LED connectors on the power board.

Post a picture of what your screen is actually showing. It would be good to see the differences in lighting.

@oldturkey03 thanks again man! The differences in lighting are no longer visible as the entire backlight panel turns off a fraction of a second after a full power cycle where you can only see the logo centered so even if I capture it it won't show. I mentioned it as it looked potentially relevant that I noticed parts of the screen have gotten ever so slightly dimmer days before it died entirely.

Here's DC readings of the LED connection on the power board. Positives around 25V and negatives around 2V, no exceptions.

Block Image
Block Image
Block Image

Update (05/18/23)

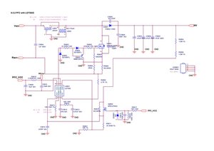
@oldturkey03 R8619 is probably under one of the heatsinks unfortunately, or I'm blind and can't see it...

Block Image
Block Image

I think I'll take the risk and order backlight strip replacements though. Let's see if I can disassemble a full screen, it will be a first. 😅

Update (06/17/23)

@oldturkey03 you are a LEGEND!

Replacement backlight arrived this week and I changed it today. I was overwhelmed with joy once the lights stayed on!

Later however it soured a bit when I saw a dark area on the screen. Now I'm not sure if it's something I've messed up in the reflector sheet or diffuser or if it's the chinese backlight strips fault. Any thoughts? The darkening is at the beginning of the strip so I don't think it's voltage related, but it looks like two of the strips are affected.

Block Image
Block Image
crwdns2934081:0crwdne2934081:0 crwdns2934083:0crwdne2934083:0 crwdns2934093:0crwdne2934093:0

crwdns2934109:0crwdne2934109:0

crwdns2889612:0crwdne2889612:0 1
crwdns2944067:03crwdne2944067:0

Sorry, couldn't upload photos in a comment so adding an answer.

@uwn8r5maruubj3n the first thing I would do I measure the DC voltage on the Backlight LED connectors on the power board.

Post a picture of what your screen is actually showing. It would be good to see the differences in lighting.

@oldturkey03 thanks again man! The differences in lighting are no longer visible as the entire backlight panel turns off a fraction of a second after a full power cycle where you can only see the logo centered so even if I capture it it won't show. I mentioned it as it looked potentially relevant that I noticed parts of the screen have gotten ever so slightly dimmer days before it died entirely.

Here's DC readings of the LED connection on the power board. Positives around 25V and negatives around 2V, no exceptions.

[image|2961661]

[image|2961663]

[image|2961662]

crwdns2934271:0crwdnd2934271:0crwdne2934271:0

@uwn8r5maruubj3n Hi. Was reading your post and saw you managed to get your TV working (Good job!). I'm in a really similar situation as you and need to replace LED strips on my 55PUS6704. I was wondering if you'd mind sharing where you got your replacement strips from?

crwdns2934271:0crwdnd2934271:0crwdne2934271:0

Hello. I have the same TV model and a similar problem. But in my case, the LED plug has 35-38V VOL+ and 15-18V VOL- (measured to ground). Am I right in assuming that the power supply board needs to be replaced? @oldturkey03

crwdns2934271:0crwdnd2934271:0crwdne2934271:0

crwdns2934285:0crwdne2934285:0

crwdns2933315:02crwdne2933315:0

crwdns2934051:0crwdne2934051:0

@uwn8r5maruubj3n Do this first. Verify that you have no image on all inputs. If it remains dark, unplug it and push the power button for about one minute, then plug it back in. See if that resets your TV.

If it remains dark, use a flashlight and in a darkened room, angle the light beam against the screen with the TV at a channel where you can hear sounds. See if you can make out shadows or shapes. If you do, then it is your backlight that has failed. ed or leaking capacitors. Check all the wiring and unplug the wires and plug them back in to make sure they are properly seated. If you don't, then it is possible that this is either a power board issue or a T-con board issue.

Your Philips model is known fo bad backlight srips. Ultimately, and going by your description, I believe that this is what needs to be replaced. Not a real terrible job, but a bit of a PITA because of size.

Update (05/17/23)

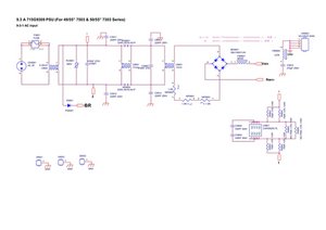
@uwn8r5maruubj3n we need a close up of your power board :-) Measure the voltage on R8619 you should get 43V DC on that.

Block Image
Block Image
Block Image
Block Image

crwdns2934105:0crwdne2934105:0

crwdns2889612:0crwdne2889612:0 1

crwdns2944067:010crwdne2944067:0:

Thank you so much! Picture has been working and I can see silhouettes even without the flashlight. No bulging or leaking capacitors unfortunately, that would have been the cheapest option, though they can still be bad without showing.

I can try to change the power board entirely but it looks like it's hard to find the same one, I wonder if they're interchangeable with similar ones, this one is an 715g9309-p02.

Anyhow it would be best to rule out stuff before peeling off the screens to get to the backlight strips, but not sure if possible. :(

crwdns2934271:0crwdnd2934271:0crwdne2934271:0

@uwn8r5maruubj3n the first thing I would do I measure the DC voltage on the Backlight LED connectors on the power board.

Post a picture of what your screen is actually showing. It would be good to see the differences in lighting.

crwdns2934271:0crwdnd2934271:0crwdne2934271:0

@uwn8r5maruubj3n interesting! Anyhow, yes that makes sense that it first went partial dim and tehn it crumped all together. Anyhow, measure one more time but use both probes on the same connector. Red to + and Black to - Just to make sure. Each LED strip is rated for 12-24V and according to your measurement they would all be in parallel which is uncommon but not impossible I suppose. I would expect s higher voltage and some series-parallel connections. We'll see I suppose :-)

crwdns2934271:0crwdnd2934271:0crwdne2934271:0

@oldturkey03 I get a 0 reading with that approach, not sure if expected or I'm doing something wrong? Initial readings were with black grounded in the chassis.

crwdns2934271:0crwdnd2934271:0crwdne2934271:0

@uwn8r5maruubj3n If you measured it the same way as you did the first go around, you should get the voltages. Your power board should supply the positive and negative voltage needed for the backlight LED strips. Your meter was set right etc. Looks like it does not do that. Check the components around the connector and I see if I can find a schematic. Bad diodes or FET's are a possibility

Measure the voltage on R8619 you should get 43V DC on that.

crwdns2934271:0crwdnd2934271:0crwdne2934271:0

crwdns2934275:05crwdne2934275:0

crwdns2934285:0crwdne2934285:0

My backlight went off on my 58PUS7304 /12 - So i have foun this page and off i went to test the voltage on R8619, for the 43 volts, it took me a good 20 mins to find it, well i found the sign but what looks like 2 test points, there is no resistor in there, , anything else it could be ?

crwdns2934105:0crwdne2934105:0

crwdns2889612:0crwdne2889612:0 0

crwdns2947414:01crwdne2947414:0:

@bobhayes89376 just to clarify. You have NO backlight? Have you checked the voltage form the power board to the backlight strips? Have you checked the Backlight On voltage on the power board to main board connector?

crwdns2934271:0crwdnd2934271:0crwdne2934271:0

crwdns2934285:0crwdne2934285:0

crwdns2934229:0crwdne2934229:0

erik.ign crwdns2934231:0crwdne2934231:0
crwdns2936625:0crwdne2936625:0:

crwdns2936751:024crwdne2936751:0 9

crwdns2936753:07crwdne2936753:0 29

crwdns2936753:030crwdne2936753:0 152

crwdns2942667:0crwdne2942667:0 5,308