crwdns2933423:0crwdne2933423:0

The Volvo XC90 is a mid-size luxury crossover SUV manufactured by Volvo since 2002 and now is in its second generation.

does not want to crank the engine over

I'm experiencing a similar issue where my 2004 Volvo XC90 2.5 Awd does not want to crank the engine over. The car has been sitting for a few months in my garage without running. The key has a brand new battery, the car battery is new, starter is new, all the electrical components are receiving power, radio works, dash works, the key remote unlocks and locks the car but doesn't start the engine.

My friend and I used a power probe to test the electrical system and everything was receiving power. I really don't want to go to the dealership so that I don't pay an arm and an leg. Any recommendations?

crwdns2934089:0crwdne2934089:0 crwdns2934093:0crwdne2934093:0

crwdns2934109:0crwdne2934109:0

crwdns2889612:0crwdne2889612:0 0
crwdns2934285:0crwdne2934285:0

crwdns2933313:01crwdne2933313:0

crwdns2934057:0crwdne2934057:0

Hi @sebastianc47336

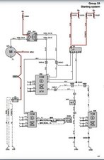
Here's the wiring diagram for the 2004 XC90 starter motor circuit that may help.

Block Image

(click on image)

crwdns2934105:0crwdne2934105:0

crwdns2889612:0crwdne2889612:0 3

crwdns2944067:02crwdne2944067:0:

Thank you for your help.

My friend and I tried to use a new relay and it still didn’t work. We even tried jump the relay with a wire and still nothing.

What my friend and I believe that it could be is the key might be damaged internally and have lost its data so the key and the immobilizer are not communicating and not allowing the engine to start but let’s the accessories work.

Could that be a possibility?

We are not sure how to test it or by pass the immobilizer to confirm that it’s the issue.

By chance does anyone know how to test that?

crwdns2934271:0crwdnd2934271:0crwdne2934271:0

Do you have an update on the car now?

crwdns2934271:0crwdnd2934271:0crwdne2934271:0

crwdns2934285:0crwdne2934285:0

crwdns2934229:0crwdne2934229:0

Sebastian Cardenas crwdns2934231:0crwdne2934231:0
crwdns2936625:0crwdne2936625:0:

crwdns2936751:024crwdne2936751:0 1

crwdns2936753:07crwdne2936753:0 3

crwdns2936753:030crwdne2936753:0 12

crwdns2942667:0crwdne2942667:0 270