crwdns2933423:0crwdne2933423:0

The Game Boy released on April 21, 1989 in Japan, followed by North America on July 31, 1989, and lastly in Europe on September 28, 1990. It is characterized by a large grey casing and model number DMG-01.

Powering on (red led) but absolutely nothing.

Dmg powers up but no activity on the screen and a low white noise, with or without a cartridge. I’ve seen many repair tips regarding a powering up but something visually. Any thought? What can be ruled out and where to begin? Thanks community.

Block Image
Block Image
Block Image
crwdns2934081:0crwdne2934081:0 crwdns2934083:0crwdne2934083:0 crwdns2934093:0crwdne2934093:0

crwdns2934109:0crwdne2934109:0

crwdns2889612:0crwdne2889612:0 2
crwdns2947414:01crwdne2947414:0

I have this problem too, I cleaned the contacts with vinegar and then with iso, now it powers on and all you hear is a click coming from the speaker and no sound or picture. I tried headphones and there is just a white noise. I swapped the screen half with a working one and vice versa. The screen half is good and works on my working half with the battery compartment. When I put my good working one in the faulty game it the same thing happens. I’ve cleaned the board with iso, everything looks decent but still no picture or sound. Any ideas?

crwdns2934271:0crwdnd2934271:0crwdne2934271:0

crwdns2934285:0crwdne2934285:0

crwdns2933313:01crwdne2933313:0

crwdns2934051:0crwdne2934051:0

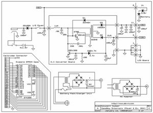
@bradley007 you did not tell us what you already checked. If we make the assumption that there is power on your GB, I would next check components around the display and the power rails. Something like this

Block Image

and this one

Block Image

from here should help with the troubleshooting. Also, the beast got a few miles on it, check all the traces and capacitors for corrosion, delamination etc. Post some good pictures of your mainboard etc. with your QUESTION. That way we can see what you see.

Adding images to an existing question

crwdns2934105:0crwdne2934105:0

crwdns2889612:0crwdne2889612:0 0

crwdns2944067:03crwdne2944067:0:

Thank you! Will put some pictures uoo ok for reference.

crwdns2934271:0crwdnd2934271:0crwdne2934271:0

When I turn on my TV I have red and green lines vertically running through it how do I get them to go away so I could watch the screen

crwdns2934271:0crwdnd2934271:0crwdne2934271:0

shawn dancy what make and model is your Tv? what have you checked? Do you have sound?

crwdns2934271:0crwdnd2934271:0crwdne2934271:0

crwdns2934285:0crwdne2934285:0

crwdns2934229:0crwdne2934229:0

Brad crwdns2934231:0crwdne2934231:0
crwdns2936625:0crwdne2936625:0:

crwdns2936751:024crwdne2936751:0 0

crwdns2936753:07crwdne2936753:0 6

crwdns2936753:030crwdne2936753:0 21

crwdns2942667:0crwdne2942667:0 663