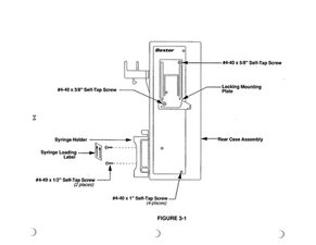
lower syringe clamp replacement
the lower clamp on my baxter infuseOR is cracked. I have the replacement part but after removing the screw it still won't release. It swivels around on something i can't see. How do I proceed without damaging the pump? How do you remove the lower syringe clamp from the infusoe body?
crwdns2934109:0crwdne2934109:0
 
                         
            
      
      
   
crwdns2944067:02crwdne2944067:0
@bludo2 do you have a model number for the Baxter pump?
crwdns2934271:0crwdnd2934271:0 oldturkey03 crwdne2934271:0
model # 2L3100
crwdns2934271:0crwdnd2934271:0 Dr Linda M Ribarich-Boehm DMD crwdne2934271:0