crwdns2933423:0crwdne2933423:0

The Lenovo ThinkPad T14s Gen 1 was released June 2020, it can be Identified by model its model number 20UH001AIX. It is a slim lightweight black/silver laptop with a small T14s logo on the screen bezel.

Where is the TPM Chip on this Board?

To test the physical security of the TPM Chip against bus sniffing (LPC/SPI/etc) i was wondering where on the board the TPM chip is located and which model is used?

crwdns2934089:0crwdne2934089:0 crwdns2934093:0crwdne2934093:0

crwdns2934109:0crwdne2934109:0

crwdns2889612:0crwdne2889612:0 0
crwdns2944067:03crwdne2944067:0

@btier attach some good pictures of your motherboard (both sides) with your question. That way we can see what you see and can probably point it out. Adding images to an existing question

How and why would you test it?

crwdns2934271:0crwdnd2934271:0crwdne2934271:0

Hi @btier,

What is the model number of the motherboard?

What generation T14s is it, Gen 1, 2, 3?

Have you enabled TPM in BIOS > Security > Security chip?

crwdns2934271:0crwdnd2934271:0crwdne2934271:0

In this case a Gen 2.

Yes of course it is enabled but it doesn't mention the chip used and it also is not relevant to the physical security assessment.

crwdns2934271:0crwdnd2934271:0crwdne2934271:0

crwdns2934285:0crwdne2934285:0

crwdns2933313:01crwdne2933313:0

crwdns2934057:0crwdne2934057:0

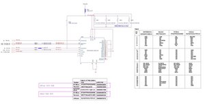
The IC is at UTPM and is a NPCT750LABYX_QFN32_5X5 TPM2.0UI9801.

Block Image

See my previous comment for the last part of your question.

crwdns2934105:0crwdne2934105:0

crwdns2889612:0crwdne2889612:0 2

crwdns2944067:05crwdne2944067:0:

Do you have the location within the device too, like an image of the opened case instead of just an abstract drawing?

crwdns2934271:0crwdnd2934271:0crwdne2934271:0

@btier no. that is what we need your pictures for.

crwdns2934271:0crwdnd2934271:0crwdne2934271:0

I know this is old , but does anyone have the physical location of the TPM chip on this device? TY in advance.

crwdns2934271:0crwdnd2934271:0crwdne2934271:0

@oakitoki if you post an image of your motherboard we can most likely point it out to you.

crwdns2934271:0crwdnd2934271:0crwdne2934271:0

the TPM chip is on the back of the motherboard ;)

crwdns2934271:0crwdnd2934271:0crwdne2934271:0

crwdns2934285:0crwdne2934285:0

crwdns2934229:0crwdne2934229:0

mall crwdns2934231:0crwdne2934231:0
crwdns2936625:0crwdne2936625:0:

crwdns2936751:024crwdne2936751:0 1

crwdns2936753:07crwdne2936753:0 3

crwdns2936753:030crwdne2936753:0 28

crwdns2942667:0crwdne2942667:0 1,224