crwdns2933423:0crwdne2933423:0

Freezer light comes on only when fridge door open

My freezer light sometimes doesn't come on when the door is opened. But it does come on when both the fridge and freezer doors are simultaneously opened.

The bulb appears to be ok as does the freezer light switch. I jiggle both and nothing changes.

The freezer light used to work normally. But my freezer got down to -30 when ice blocked air passageways to the fridge, and that's when the problem started. Not sure if that's a coincidence or not.

Another oddity...the freezer light appears to stay on when the fridge door is open even when the light switch in the freezer is pushed in. It's as if the light switch in the fridge now controls both lights

Any ideas?

crwdns2934089:0crwdne2934089:0 crwdns2934093:0crwdne2934093:0

crwdns2934109:0crwdne2934109:0

crwdns2889612:0crwdne2889612:0 0
crwdns2944067:02crwdne2944067:0

Hi @lordvolvo,

What is the model number of the refrigerator?

crwdns2934271:0crwdnd2934271:0crwdne2934271:0

@jayeff Whirlpool model number WRT541SZDW00

crwdns2934271:0crwdnd2934271:0crwdne2934271:0

crwdns2934285:0crwdne2934285:0

crwdns2933313:01crwdne2933313:0

crwdns2934057:0crwdne2934057:0

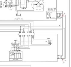
Hi @lordvolvo

I think I know what the problem may be.

Here's an image of a part of the wiring diagram from the tech sheet from the refrigerator that may help.

Block Image

(click on image to enlarge)

Normally there is 120V AC power on the white wire supplied to both lights.

When the refrigerator door is opened the door switch closes and connects the neutral - black wire- and therefore the current flows through the lamp and it lights up. Close the door, the switch opens the light goes out.

When the freezer door is opened the same should happen. The freezer door switch closes and connects the neutral wire and current flows through the lamp and it lights. Close the door, the switch opens and the light goes out.

What is happening I think in your situation is that there is no neutral connection at the freezer door switch. Either the switch is not electrically closing or that the neutral wire has broken off the switch either at the freezer door switch or perhaps where it multiples on the refrigerator door switch.

So what is happening is that when the freezer door is opened, even though the door switch mechanically operates this doesn't mean that it is electrically operating i.e. no electrical continuity through the switch when it operates with the door open, so no light.

When the refrigerator door is opened, the refrigerator light turns on and the refrigerator door switch now also extends the neutral connection through it being operated on the yellow wire up to the freezer door switch which turns on the freezer light.

Basically you need to first check if the freezer door switch is electrically OK. To do this you need to disconnect the power to the refrigerator, remove the freezer door switch and then disconnect at least one wire from the switch and connect an Ohmmeter across the switch terminals and check that it tests 0.00 Ohms when the switch is released i.e. as when in door open position and then that it tests OL - open circuit, when the switch is operated i.e. as in when door is closed position.

If the switch is faulty the part number is W11384469. Search online using the part number to find suppliers that suit you best.

If the switch tests OK then you need to check if the black wire is OK by testing between the black wire and the neutral pin connection on the refrigerator's power cord plug. It should test 0.00 Ohms. If not first check that it is not broken off on the refrigerator door switch as according to the diagram, there are two black wires on that switch. One is the feed in and the other goes to the freezer door switch.

Be safety aware. Ensure that you totally disconnect the power to the refrigerator when testing as there is 120V AC in the paths that you're testing if the refrigerator was still connected.

Hopefully I haven't confused you too much

crwdns2934105:0crwdne2934105:0

crwdns2889612:0crwdne2889612:0 3

crwdns2944067:02crwdne2944067:0:

Fantastic! Thanks much for the thorough explanation. I thought the switches were electrically independent of each but apparently not.

The switch appears to be ok and I got continuity between the commons of the switch and the power cable according to my multimeter. I think the problem was one of the wires to the switch was barely making contact with the switch's terminals since they was virtually no slack with the wires. I reattached the wires and so far, so good.

Thx again for the prompt and thorough response!

crwdns2934271:0crwdnd2934271:0crwdne2934271:0

@lordvolvo

Thanks for the feedback.

Glad you sorted it out.

Cheers

crwdns2934271:0crwdnd2934271:0crwdne2934271:0

crwdns2934285:0crwdne2934285:0

crwdns2934229:0crwdne2934229:0

Michael Frazier crwdns2934231:0crwdne2934231:0
crwdns2936625:0crwdne2936625:0:

crwdns2936751:024crwdne2936751:0 1

crwdns2936753:07crwdne2936753:0 6

crwdns2936753:030crwdne2936753:0 33

crwdns2942667:0crwdne2942667:0 1,831