crwdns2933423:0crwdne2933423:0

Repair guides and support for the revised 1st-generation Ranger compact pickup truck. The Ranger received a facelift and some mechanical updates for the 1989 model year.

How do I repair my fuel guage

how do i fix my fuel guage?

crwdns2934089:0crwdne2934089:0 crwdns2934093:0crwdne2934093:0

crwdns2934109:0crwdne2934109:0

crwdns2889612:0crwdne2889612:0 0
crwdns2947414:01crwdne2947414:0

Three things to consider as possible fault(s); fuel gauge, wiring/connections and float sensor in the tank. You might try searching Ford Ranger forums for members experienced with this vehicle.

crwdns2934271:0crwdnd2934271:0crwdne2934271:0

crwdns2934285:0crwdne2934285:0

crwdns2933315:02crwdne2933315:0

Hi,

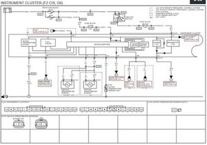
Here's some images of the wiring for the fuel gauge circuit from the 1996 and the 1999 Ford Ranger service manuals (couldn't find your year model range) that may help, if it seems to be a wiring problem.

--------------1996-----------------------

Block Image
Block Image

-------------1999----------------------

Block Image
Block Image

(click on images to enlarge)

crwdns2934105:0crwdne2934105:0

crwdns2889612:0crwdne2889612:0 2
crwdns2934285:0crwdne2934285:0
crwdns2934057:0crwdne2934057:0

Hi Jack,

Thanks to @jayeff's excellent work in pulling up the wiring diagrams, we know that the gas tank sending unit is basically just a variable resistor. On one end of the spectrum, when the gas tank is empty, the resistance will be high and the gauge will read "E". As the resistance lowers, the gauge goes up until at the lowest resistance the tank will read "F", or full.

So an easy way to check is to pull the connector off the sender in the gas tank and verify that the gauge is reading empty while the car is on (not running, just the key turned on). Next, short the two pins on the connector together and check the gauge again. It should be reading full now.

If it passes that test, then the culprit is almost certainly the sender in the fuel tank that you'll have to replace.

If that doesn't work, you may need to check the wires, following them back to the instrument cluster; the fuel sender wires go to the computer, and from there to the gas gauge.

Having dealt with a few of them over the years, my money's on the fuel sender.

Good luck with your repair; let us know how it goes!

crwdns2934105:0crwdne2934105:0

crwdns2889612:0crwdne2889612:0 2
crwdns2934285:0crwdne2934285:0

crwdns2934229:0crwdne2934229:0

Jack Wes crwdns2934231:0crwdne2934231:0
crwdns2936625:0crwdne2936625:0:

crwdns2936751:024crwdne2936751:0 0

crwdns2936753:07crwdne2936753:0 5

crwdns2936753:030crwdne2936753:0 26

crwdns2942667:0crwdne2942667:0 918