crwdns2933423:0crwdne2933423:0

The Lenovo Thinkpad X240, released in 2013, fairly light and compact, and looks familiar to the ThinkPad Line. The X240 is notable for its clunky touch pad.

What damage by wrong polarity of the power input?

I applied wrong polarity voltage at power connector and the laptop does not switch on. What damage done, what components to replace?

crwdns2934089:0crwdne2934089:0 crwdns2934093:0crwdne2934093:0

crwdns2934109:0crwdne2934109:0

crwdns2889612:0crwdne2889612:0 0
crwdns2934285:0crwdne2934285:0

crwdns2933315:03crwdne2933315:0

crwdns2934057:0crwdne2934057:0

Hi @pjotrlen

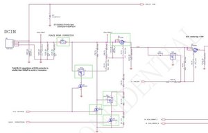
Here's an image from the schematic for the laptop showing what components may have been affected by a reversed polarity DC voltage input.

I'm not suggesting that all of them would have been affected but some of them may have been.

Block Image

(click on image)

crwdns2934105:0crwdne2934105:0

crwdns2889612:0crwdne2889612:0 1

crwdns2944067:029crwdne2944067:0:

I looked at the schematic. The failure of the marked components would not explain as why the laptop does not switch when ON button depressed while charged battery connected and in place.

crwdns2934271:0crwdnd2934271:0crwdne2934271:0

@pjotrlen you will have to open it up and see where the damage occurs. Remember that the DC and battery circuit will be tied together into the power circuit which may not be immediately apparent on this snippet

crwdns2934271:0crwdnd2934271:0crwdne2934271:0

@pjotrlen

You would have to check downstream from the DC-In connection and see where the battery supply and the DC-In supply are detected and where it switches between the two depending on what is there.

Here's the link to the schematics I used. Maybe it's not for your motherboard so check the model number on the board to verify

crwdns2934271:0crwdnd2934271:0crwdne2934271:0

Who can tell me where the battery voltage is applied after going through the switches, to be converted to the voltages needed for the operation of the laptop? I cannot figure it out from the schematic

crwdns2934271:0crwdnd2934271:0crwdne2934271:0

@oldturkey03 Note, the DC voltage from the mains power converter is 20 V, battery voltage about 10V. Where is the point in the schamating where there is voltage which gets converted into voltages needed for the operation of the laptop only? E.g. when only battery power is present

crwdns2934271:0crwdnd2934271:0crwdne2934271:0

crwdns2934275:024crwdne2934275:0

crwdns2934285:0crwdne2934285:0

@pjotrlen could be as simple as a blown fuse to as complicated as a blown component that might be hard to identify. First step would be to disassemble your Thinkpad and check the motherboard for any missing, charred or otherwise damaged looking component. you can download the maintenance manual from here which will help you to work on it.
After that, post some good pictures of your motherboard with your QUESTION. That way we can see what you see and hopefully help you further. Adding images to an existing question

crwdns2934105:0crwdne2934105:0

crwdns2889612:0crwdne2889612:0 0

crwdns2947414:01crwdne2947414:0:

Dear friend, as I wrote, the real help would be not no look for damaged compnents identified by viewing, rather then explaination as why it does not work on batteries, what testing points to use. From the schematic I see some diodes which should protect against wrong polarity, also fuses. In this situation I would expect the laptop to work on batteries, damage limited to the circuitry relaed to the part with 20V from the mains power input, e.g. battery charging etc

crwdns2934271:0crwdnd2934271:0crwdne2934271:0

crwdns2934285:0crwdne2934285:0

There are two IC's that allows power

crwdns2934105:0crwdne2934105:0

crwdns2889612:0crwdne2889612:0 0
crwdns2934285:0crwdne2934285:0

crwdns2934229:0crwdne2934229:0

Pjotr crwdns2934231:0crwdne2934231:0
crwdns2936625:0crwdne2936625:0:

crwdns2936751:024crwdne2936751:0 2

crwdns2936753:07crwdne2936753:0 8

crwdns2936753:030crwdne2936753:0 37

crwdns2942667:0crwdne2942667:0 991