crwdns2933423:0crwdne2933423:0

This Audi A6 model received a facelift in 2001 for both sedan and Avant versions. The revised A6 sedan featured a new grille design and different headlights, while also being fitted with a wide range of petrol and diesel engine configurations. Most of these powerplants received a boost in power outputs.

Radio isn’t getting power.

What do I do if my radio isn’t getting power

Update (08/28/2022)

@oldturkey03 I checked the fuses that are on the side of my dashboard and they have power I was told to check if the wire had power going to it but it didn’t.

Update (08/28/2022)

Yes the radio is factory.

crwdns2934089:0crwdne2934089:0 crwdns2934093:0crwdne2934093:0

crwdns2934109:0crwdne2934109:0

crwdns2889612:0crwdne2889612:0 1
crwdns2934285:0crwdne2934285:0

crwdns2933313:01crwdne2933313:0

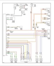
@juanherna use the wiring diagram to see what is going on with your radio. The fuse box on the L side has fuse #37 which is the radio fuse. It is a 20amp fuse so make sure you only use a 20 amp to replace it. After that trace the power wiring and see where is stops.

Block Image

crwdns2934105:0crwdne2934105:0

crwdns2889612:0crwdne2889612:0 0
crwdns2934285:0crwdne2934285:0

crwdns2934229:0crwdne2934229:0

Juan hernandez crwdns2934231:0crwdne2934231:0
crwdns2936625:0crwdne2936625:0:

crwdns2936751:024crwdne2936751:0 1

crwdns2936753:07crwdne2936753:0 5

crwdns2936753:030crwdne2936753:0 19

crwdns2942667:0crwdne2942667:0 905