crwdns2933423:0crwdne2933423:0

The sixth generation Maxima, code-named A34, was only sold in the United States, Canada and Mexico. It was introduced in production form as a 2004 model at the 2003 North American International Auto Show.

My front parking lights and tail lights quit working

When i change the fuse for tail lights it keeps blowing out

crwdns2934081:0crwdne2934081:0 crwdns2934083:0crwdne2934083:0 crwdns2934093:0crwdne2934093:0

crwdns2934109:0crwdne2934109:0

crwdns2889612:0crwdne2889612:0 0
crwdns2934285:0crwdne2934285:0

crwdns2933313:01crwdne2933313:0

crwdns2934051:0crwdne2934051:0

Hi,

Is the parking light switch turned on?

If not then you'll have to find out why the tail lamp relay is operated or if there is a wiring problem between the fuse and the relay

If it blows only when the lights are turned on then there is a full earth somewhere on the lamp side of the relay.

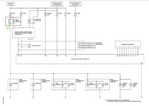
Below is an image of the wiring diagram that may help.

If the fuse only blows when the lights are turned on, if possible, remove the tail lamp relay (engine compartment fuse block) and then check for a full earth i.e. 0.00 Ohms, on one of the relay contact connections in the block. One side will be power from the fuse, the other the lamps. (green arrow)

If there is you'll have to remove each lamp until it goes away.

Once it does you will have to inspect the lamp socket (or bulb) of the relevant lamp - short circuit bulb, wiring problem etc.

If it doesn't disappear with all the lamps unplugged, then there a wiring problem between the relay and the lamps - earthing out to the chassis perhaps.

If the fuse blows with the lights turned off, remove the fuse and check for an earth on the non powered side of the fuse. If there is one, remove the tail lamp relay.

If it is still there, there a problem in the wiring between the fuse and the relay.

Block Image

(click on image to enlarge)

crwdns2934105:0crwdne2934105:0

crwdns2889612:0crwdne2889612:0 2
crwdns2934285:0crwdne2934285:0

crwdns2934229:0crwdne2934229:0

Joebert Golveo crwdns2934231:0crwdne2934231:0
crwdns2936625:0crwdne2936625:0:

crwdns2936751:024crwdne2936751:0 0

crwdns2936753:07crwdne2936753:0 7

crwdns2936753:030crwdne2936753:0 19

crwdns2942667:0crwdne2942667:0 822