crwdns2933423:0crwdne2933423:0

A color version of the Nintendo Game Boy, released in 1998. Repair of this device is straightforward.

Why there is no sound from the speaker and headphone jack

there is no sound coming through speaker and headphone jack, just the hiss sound

at first i tried cleaning with isopropyl 99%, nothing happens

i have already replaced the speaker with a new one still does not fix

i also re-solder the connection on volume wheel, still no sound

crwdns2934089:0crwdne2934089:0 crwdns2934093:0crwdne2934093:0

crwdns2934109:0crwdne2934109:0

crwdns2889612:0crwdne2889612:0 0
crwdns2947414:01crwdne2947414:0

Strange? Have you checked, reset the device incase it is a setting? I know it sounds a simple idea and you may have already done. However, I for one forget check the small things

crwdns2934271:0crwdnd2934271:0crwdne2934271:0

crwdns2934285:0crwdne2934285:0

crwdns2933315:02crwdne2933315:0

crwdns2934057:0crwdne2934057:0

Hi @unikkoijo

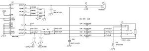
Here's an image of the audio section from the schematics for the game console that may help.

Block Image

(click on image)

Given that there's no audio heard in either the headphones or the speaker it may be that the U3 audio amp has failed.

You could always check if it has only partially failed by checking if there is audio heard by disconnecting one side of C14 from the board and placing a speaker between U3/3 and earth. If there is then it could be that C14 is short circuit or that C38 is open circuit.

The other check is placing a speaker between U3/12 and earth and U3/15 and earth and check for audio in case there is a audio for the L & R headphone speakers.

If there is no audio heard at all then either U3 has failed or its not getting an input on U3/7 & 8 for some reason.

Make sure that there is voltage on U3/4 & 14 (VCC) and also U3/5 (VDD5)

Hopefully a start

crwdns2934105:0crwdne2934105:0

crwdns2889612:0crwdne2889612:0 2
crwdns2934285:0crwdne2934285:0

@unikkoijo double check your headphone jack. If it has failed it may just block the sound. Also, check the volume potentiometer. Make sure it is functioning. After that it is a component in the audio circuit that can have failed. Check the easy stuff first.

crwdns2934105:0crwdne2934105:0

crwdns2889612:0crwdne2889612:0 1

crwdns2944067:02crwdne2944067:0:

i tried replacing the volume potentiometer, still no sound both headphone and speaker

crwdns2934271:0crwdnd2934271:0crwdne2934271:0

@unikkoijo Did you ever get this fixed by any chance?

crwdns2934271:0crwdnd2934271:0crwdne2934271:0

crwdns2934285:0crwdne2934285:0

crwdns2934229:0crwdne2934229:0

Kenneth Co crwdns2934231:0crwdne2934231:0
crwdns2936625:0crwdne2936625:0:

crwdns2936751:024crwdne2936751:0 1

crwdns2936753:07crwdne2936753:0 9

crwdns2936753:030crwdne2936753:0 38

crwdns2942667:0crwdne2942667:0 1,358