crwdns2933423:0crwdne2933423:0
crwdns2947577:0crwdnd2947577:0crwdne2947577:0

Also sold under the GMC Sierra and VIA Vtrux names, available in the US, Canada, Mexico and other countries around the world.

Rear speakers not working

Can anyone tell me where or if I have a factory amp in my 06 chevy Silverado z71 crew cab the 30amp fuse is in the fuse for a amplifier but can’t find it and my back speakers are not working

crwdns2934089:0crwdne2934089:0 crwdns2934093:0crwdne2934093:0

crwdns2934109:0crwdne2934109:0

crwdns2889612:0crwdne2889612:0 0
crwdns2934285:0crwdne2934285:0

crwdns2933313:01crwdne2933313:0

crwdns2934057:0crwdne2934057:0

Hi @wheelerj92

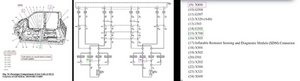
Here are some images from the 2008 Silverado service manual that may help. Hopefully it is the same as your year model.

Also the wiring diagram for the front speakers (not shown in the images below) shows that they're connected to the same amplifier so it may be a connection problem or a problem in the amp itself.

The X309 (Y91) harness connector is located in front of the amp.

Block Image
Block Image

(hover your cursor over the image to show magnifying glass icon, click on the icon and then click on the image to enlarge further)

crwdns2934105:0crwdne2934105:0

crwdns2889612:0crwdne2889612:0 1
crwdns2934285:0crwdne2934285:0

crwdns2934229:0crwdne2934229:0

Joshua Wheeler crwdns2934231:0crwdne2934231:0
crwdns2936625:0crwdne2936625:0:

crwdns2936751:024crwdne2936751:0 1

crwdns2936753:07crwdne2936753:0 2

crwdns2936753:030crwdne2936753:0 13

crwdns2942667:0crwdne2942667:0 923