crwdns2933423:0crwdne2933423:0

No interior lights and water/ice not dispensing

All 3 lights are out in the fridge/freezer and water/ice stopped dispensing. I just assumed the lights burnt out but when the water stopped dispensing and ice was no longer producing I looked into the issue a bit further.

I originally assumed the water line was frozen. I took everything out and let the fridge sit, unplugged, for a day. When I turned it back on the lights were in and water petered out, but lasted maybe 2 minutes. I did that for 2 or 3 more tries for it to only last a second or so.

I read online refrigerators can be reset by pressing unlock and light simultaneously, but that trick didn't work either. Any help would he appreciated.

The model number for our fridge is WRS322FDAM04.

crwdns2934089:0crwdne2934089:0 crwdns2934093:0crwdne2934093:0

crwdns2934109:0crwdne2934109:0

crwdns2889612:0crwdne2889612:0 2
crwdns2947414:01crwdne2947414:0

Water dispensing and lighting may be a control board issue. Ice making depends on freezing temperatures around 0F before ice making can operate.

crwdns2934271:0crwdnd2934271:0crwdne2934271:0

crwdns2934285:0crwdne2934285:0

crwdns2933313:01crwdne2933313:0

crwdns2934057:0crwdne2934057:0

Hi @youngd2411

It may be a faulty light switch i.e. door switch, that is affecting both the lights and the dispensing of the water/ice.

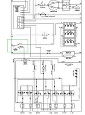
Looking at the tech sheet for the refrigerator, there is a light interlock changeover switch through which both the lights and the dispenser circuits go - see image below.

Usually you can't dispense with a door open and the lights require the door to be open to work. Might be worth checking if it is OK, corroded, loose etc

Block Image

(click on image to enlarge)

crwdns2934105:0crwdne2934105:0

crwdns2889612:0crwdne2889612:0 1
crwdns2934285:0crwdne2934285:0

crwdns2934229:0crwdne2934229:0

Danny Young-Uhrich crwdns2934231:0crwdne2934231:0
crwdns2936625:0crwdne2936625:0:

crwdns2936751:024crwdne2936751:0 8

crwdns2936753:07crwdne2936753:0 25

crwdns2936753:030crwdne2936753:0 75

crwdns2942667:0crwdne2942667:0 5,139