crwdns2933423:0crwdne2933423:0
crwdns2947577:0crwdnd2947577:0crwdne2947577:0

Backlight spots at bottom of screen

Block Image

I swapped the display and logic board (the old screen had the same problem but the display was broken, and the keyboard in my other MBP was broken) and this wasnt there on the old chassis

crwdns2934089:0crwdne2934089:0 crwdns2934093:0crwdne2934093:0

crwdns2934109:0crwdne2934109:0

crwdns2889612:0crwdne2889612:0 0
crwdns2944067:05crwdne2944067:0

@danby that is stage lighting and is caused by a failure of the backlights. Check the display connector voltages and check the filter capacitors around that connector. It is possible that you a. have a bacd connector b. Bad capacitor or a bad backlight/display. Let us know what you find out after you have checked

crwdns2934271:0crwdnd2934271:0crwdne2934271:0

Either I'm confused or you are. You say "the old screen had the same problem" and then you contradict yourself by saying "this wasnt there on the old chassis".

You're looking at either a bad video connector, a bad video cable, a bad display (I've seen many cheap ones from China looking like that), or (possible but low on the likelihood scale) a bad logic board.

crwdns2934271:0crwdnd2934271:0crwdne2934271:0

My old 2012 Macbook pro had the same issue!

crwdns2934271:0crwdnd2934271:0crwdne2934271:0

@beanman56 did you fix it with a new display or did you find the bad caps on the board?

crwdns2934271:0crwdnd2934271:0crwdne2934271:0

@oldturkey03 - neither it broke (keyboard and motherboard)before I found out the issue

crwdns2934271:0crwdnd2934271:0crwdne2934271:0

crwdns2934285:0crwdne2934285:0

crwdns2933313:01crwdne2933313:0

crwdns2934057:0crwdne2934057:0

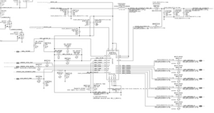
Inspect the LVDS connector

Block Image

These are the lines you need to look at

Block Image

Here's the pin assignments

Block Image

Here's the driver logic if you don't see any issues at the connector.

Block Image

You might need to look at the display assemblies connector too!

crwdns2934105:0crwdne2934105:0

crwdns2889612:0crwdne2889612:0 1
crwdns2934285:0crwdne2934285:0

crwdns2934229:0crwdne2934229:0

Dani crwdns2934231:0crwdne2934231:0
crwdns2936625:0crwdne2936625:0:

crwdns2936751:024crwdne2936751:0 0

crwdns2936753:07crwdne2936753:0 6

crwdns2936753:030crwdne2936753:0 16

crwdns2942667:0crwdne2942667:0 300