crwdns2933423:0crwdne2933423:0
crwdns2947577:0crwdnd2947577:0crwdne2947577:0

Repair and disassembly guides for Casio electronic keyboards.

Casio wk1630 Repair question

There's a group of 8 white keys and 5 black keys that play once, sustain and then no longer play at all until the keyboard is turned off and the problem repeats. Is this a problem you're familiar with and can fix?

crwdns2934089:0crwdne2934089:0 crwdns2934093:0crwdne2934093:0

crwdns2934109:0crwdne2934109:0

crwdns2889612:0crwdne2889612:0 0
crwdns2934285:0crwdne2934285:0

crwdns2933313:01crwdne2933313:0

Hi,

I know this is late but I see this question come up a lot. People mention stuck or sticking keys which stay pressed or stay on after being played.

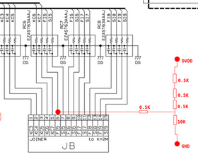
I had this issue on a WK-1800, essentially the same as the WK-1630. The fix involves applying ~3.1V to the suspect keyboard matrix line. You can determine the keyboard matrix line by inspecting the PCBs below the keyboard, or by looking at the schematic in the service manual (WK-1800 manual). In my case, applying anything from around 2.8V up to 3.9V would work, except at lower voltages the keys would be erratic, at higher voltages they would get overly loud. I created a resister bridge to get the voltage needed, if the bridge has too much resistance it doesn't work, I ended up with around 10k total bridge resistance which seemed to work well.

Schematic of what I did (resistor values are approximate, it took experimenting to get it right):

Block Image

And a pic of the actual hardware (it looks like the resistors are shorted but it's just the angles):

Block Image

Also applies to other Casio keyboard models, CTK etc.

crwdns2934105:0crwdne2934105:0

crwdns2889612:0crwdne2889612:0 0
crwdns2934285:0crwdne2934285:0

crwdns2934229:0crwdne2934229:0

Joe crwdns2934231:0crwdne2934231:0
crwdns2936625:0crwdne2936625:0:

crwdns2936751:024crwdne2936751:0 2

crwdns2936753:07crwdne2936753:0 12

crwdns2936753:030crwdne2936753:0 25

crwdns2942667:0crwdne2942667:0 266