Why are my reverse lights not working
Both reverse lights are not working in my 1996 GMC sierra k1500 v6 4.3 5 speed manual transmission I've looked at the ground and reverse light switch still nothing help needed
crwdns2934109:0crwdne2934109:0
Both reverse lights are not working in my 1996 GMC sierra k1500 v6 4.3 5 speed manual transmission I've looked at the ground and reverse light switch still nothing help needed
crwdns2934109:0crwdne2934109:0
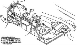
George Green of course you have checked the fuses and the bulbs. you also checked the taillight assemblies to make sure that they are not corroded or burned etc. After that you checked the wiring harness going to the taillights. After that check your backup switch. You could jump it by placing a wire between the two existing wires and see if that turns your backup lights on. If it does you know that you would need a new switch.
crwdns2934105:0crwdne2934105:0
What if there's no power at the switch. What is the next place to check?
@andylanderson check where the power is coming from. Should be the fuse box somewhere. It is also possible that there i no power supposed to be on the switch could be using teh negative polarity. Not sure about your make and model....then we can check the wiring diagram
Thanks for the quick response. I know the Blue wire is supposed to have power and both the Blue and green wire will have power when switch is closed. Power comes From the blinker fuse which is good. Tracing the blue wire through the harness and Back to the fuse panel that I can't see the back of may be Too much for me. I will try again tomorrow. Thanks again
Got it working. Thanks.
What did you find was wrong with your backup lights?
Check reverse light switch under the car where engine is at back of engine a connector size of lipstick attached two wires screws into transmission or clutch very easy to snap off if mounting kerb or over big rock
crwdns2934105:0crwdne2934105:0
crwdns2936751:024crwdne2936751:0 2
crwdns2936753:07crwdne2936753:0 20
crwdns2936753:030crwdne2936753:0 114
crwdns2942667:0crwdne2942667:0 3,533
 
            
      
      
   
crwdns2944067:02crwdne2944067:0
Did you check the wires or bulbs?
crwdns2934271:0crwdnd2934271:0 NR26 crwdne2934271:0
Check fuses.
crwdns2934271:0crwdnd2934271:0 Michael Shaw crwdne2934271:0