crwdns2933423:0crwdne2933423:0
crwdns2947577:0crwdnd2947577:0crwdne2947577:0

Also sold under the GMC Sierra and VIA Vtrux names, available in the US, Canada, Mexico and other countries around the world.

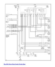
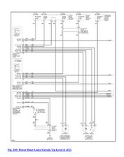
Passenger door lock schematic

Does any have the schematic for the passenger door locks? I’m trying to identify the wires for locking and unlocking.

crwdns2934081:0crwdne2934081:0 crwdns2934083:0crwdne2934083:0 crwdns2934093:0crwdne2934093:0

crwdns2934109:0crwdne2934109:0

crwdns2889612:0crwdne2889612:0 0
crwdns2934285:0crwdne2934285:0

crwdns2933313:01crwdne2933313:0

crwdns2934051:0crwdne2934051:0

@marknor42 these should work for you. If the viewer does not expand enough for you to make it out, download those images and use your graphics program to zoom in further.

Block Image
Block Image

crwdns2934105:0crwdne2934105:0

crwdns2889612:0crwdne2889612:0 1

crwdns2947414:01crwdne2947414:0:

Awesome! Thank you so much. Works like a charm now.

crwdns2934271:0crwdnd2934271:0crwdne2934271:0

crwdns2934285:0crwdne2934285:0

crwdns2934229:0crwdne2934229:0

trek.brag_0j@icloud.com crwdns2934231:0crwdne2934231:0
crwdns2936625:0crwdne2936625:0:

crwdns2936751:024crwdne2936751:0 3

crwdns2936753:07crwdne2936753:0 12

crwdns2936753:030crwdne2936753:0 65

crwdns2942667:0crwdne2942667:0 3,614