crwdns2933423:0crwdne2933423:0

Replacement Headphone jack part number

Does anyone know of a source for replacement headphone jacks? I work for a school and we have a large number of damaged headphone jacks on otherwise still working chromebooks. I’m handy enough with a soldering iron to do it, just need to know if anyone has identified a source for the part.

crwdns2934089:0crwdne2934089:0 crwdns2934093:0crwdne2934093:0

crwdns2934109:0crwdne2934109:0

crwdns2889612:0crwdne2889612:0 1
crwdns2934285:0crwdne2934285:0

crwdns2933315:03crwdne2933315:0

crwdns2934057:0crwdne2934057:0

Hi,

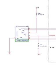
You may be able to find out the headphone socket part number by searching for the schematics for the motherboard.

On most motherboard schematics the part number is shown under the part in the drawing.

Here’s an example from an LA-C581P motherboard schematic to show what I mean.

This is not your motherboard as far as I can tell. I think that yours is an LA-G851P but I may be wrong. The board number is printed on the motherboard

Block Image

(click on image to enlarge)

The part is a Singa 2SJ3080-0391112F (Singa = Singatron Electronics).

crwdns2934105:0crwdne2934105:0

crwdns2889612:0crwdne2889612:0 1

crwdns2944067:04crwdne2944067:0:

LA-G851P is the motherboard I have.

I would suggest taking down the link for that schematic ( which I couldn't get) that site is super sketchy. Every "request" for a schematic is asked by people with the same number of posts every time, and the exact same replies every time. Very questionable.

crwdns2934271:0crwdnd2934271:0crwdne2934271:0

@Mike Morrow

Thought it may be too good to be true as otherwise I can only find bios.bin files for the motherboard from all the usual sources that I look at.

Is there any information on the headphone socket itself?

crwdns2934271:0crwdnd2934271:0crwdne2934271:0

The only markings on the jack are "0810z1", I cannot seem to find anything with that search on google.

crwdns2934271:0crwdnd2934271:0crwdne2934271:0

What I do is take good audio jacks off broken boards. Ones that are glitching or not powering on. Have done hundreds this way. I also work for a school system. Like you can not source the part.

crwdns2934271:0crwdnd2934271:0crwdne2934271:0

crwdns2934285:0crwdne2934285:0

What I do is take good audio jacks off broken boards. Ones that are glitching or not powering on. Have done hundreds this way. I also work for a school system. Like you can not source the part.

crwdns2934105:0crwdne2934105:0

crwdns2889612:0crwdne2889612:0 0
crwdns2934285:0crwdne2934285:0

Hello Mike, Did you happen to ever find them?

crwdns2934105:0crwdne2934105:0

crwdns2889612:0crwdne2889612:0 0

crwdns2947414:01crwdne2947414:0:

I know I'm late to the game here, but it may be possible to locate a suitable replacement if we have an idea of the size and shape of the circuit board footprint. We might be able to find something with some good photos of the part itself mounted on the board along with the opposite side of the circuit board as well, but the ideal situation would be to take the jack off the board first, then post pictures of the top, bottom, sides, front and back of the jack AND the circuit board where it was mounted, both top and bottom sides.

Placing a caliper next to the parts would help so we know the dimensions we'd be looking for.

crwdns2934271:0crwdnd2934271:0crwdne2934271:0

crwdns2934285:0crwdne2934285:0

crwdns2934229:0crwdne2934229:0

Mike Morrow crwdns2934231:0crwdne2934231:0
crwdns2936625:0crwdne2936625:0:

crwdns2936751:024crwdne2936751:0 4

crwdns2936753:07crwdne2936753:0 7

crwdns2936753:030crwdne2936753:0 46

crwdns2942667:0crwdne2942667:0 808