crwdns2933423:0crwdne2933423:0
crwdns2947577:0crwdnd2947577:0crwdne2947577:0

The first generation of the Lexus RX300 luxury sedan SUV crossover.

Location of brake module

My brake light aren't working. Have already replaced the pedal switch

crwdns2934089:0crwdne2934089:0 crwdns2934093:0crwdne2934093:0

crwdns2934109:0crwdne2934109:0

crwdns2889612:0crwdne2889612:0 0
crwdns2934285:0crwdne2934285:0

crwdns2933315:02crwdne2933315:0

crwdns2934057:0crwdne2934057:0

Hi,

What is the model of the vehicle i.e. RX300, RX400, RX450 etc?

Did you check that the Brake fuse (aka Stop fuse) is OK?

Here’s an image taken from the 2000 RX 300 series service manual which details how to test the brake light circuit.

Block Image

(click on image to enlarge)

Hopefully this is of some help.

crwdns2934105:0crwdne2934105:0

crwdns2889612:0crwdne2889612:0 2

crwdns2944067:03crwdne2944067:0:

How do you replace the brake module on a 2002 Lexus RX 300

crwdns2934271:0crwdnd2934271:0crwdne2934271:0

@M Haag what are you referring to as the brake module? What is wrong with yours?

crwdns2934271:0crwdnd2934271:0crwdne2934271:0

My brake lights don’t work checked everything but module

crwdns2934271:0crwdnd2934271:0crwdne2934271:0

crwdns2934285:0crwdne2934285:0

@M Haag

I think that the 2002 model is the same as the 2000 model.

If so there's no "brake module" per se.

Did you test the "light failure sensor" as described in the image above?

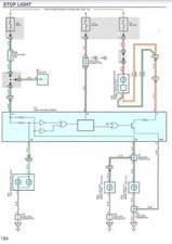
Here are some images from the Lexus RX300 MCU15 series that shows the brake light circuit. I believe that this series covers the year range of your vehicle.

Block Image
Block Image

(click on images)

crwdns2934105:0crwdne2934105:0

crwdns2889612:0crwdne2889612:0 0
crwdns2934285:0crwdne2934285:0

crwdns2934229:0crwdne2934229:0

Jackie High crwdns2934231:0crwdne2934231:0
crwdns2936625:0crwdne2936625:0:

crwdns2936751:024crwdne2936751:0 5

crwdns2936753:07crwdne2936753:0 17

crwdns2936753:030crwdne2936753:0 35

crwdns2942667:0crwdne2942667:0 944