crwdns2933423:0crwdne2933423:0

Repair and additional information for the GE Monogram ZISB420DH refrigerator, a compact, built-in model with a side-mounted freezer and standard door access, equipped with an automatic ice maker and through-the-door service, released in 2014. This page covers information for model numbers matching the pattern ZISB420DH****.

Why does my freezer door trigger my fridge light?

I have a GE Monogram ZISB420DHC French Door Refrigerator. When I open the fridge door the light inside does not come on. But if I keep the door open and open the freezer side door, then the fridge light will come on. I'm not sure which part to replace or how to fix this.

crwdns2934089:0crwdne2934089:0 crwdns2934093:0crwdne2934093:0

crwdns2934109:0crwdne2934109:0

crwdns2889612:0crwdne2889612:0 0
crwdns2944067:05crwdne2944067:0

Hi,

Do the refrigerator lights stay on after you have opened the freezer door, if you leave the refrigerator door open and then close the freezer door or do they go out again?

Try opening the refrigerator door and if the light doesn't come on, gently "tap" the refrigerator compartment door switch which is located in the door jamb to see if it now comes on.

I'm wondering if it is a faulty door switch or perhaps a loose connection on the door switch and the vibration when the freezer door is opened is enough to make it work again.

What have you tried?

crwdns2934271:0crwdnd2934271:0crwdne2934271:0

I tried what you suggested and the freezer door seems to turn the lights on and off. When I open and close it.

crwdns2934271:0crwdnd2934271:0crwdne2934271:0

Oh and I trier the tapping method on the switch and nothing happens.

crwdns2934271:0crwdnd2934271:0crwdne2934271:0

I would love to know the fix for this lighting issue. I’ve got one where when you open fridge the lights only partially come on, and when you open the freezer, the rest of the fridge lights come on, as well as the freezer.

crwdns2934271:0crwdnd2934271:0crwdne2934271:0

@scottclark75297

What is the model number of the refrigerator?

crwdns2934271:0crwdnd2934271:0crwdne2934271:0

crwdns2934285:0crwdne2934285:0

crwdns2933313:01crwdne2933313:0

crwdns2934057:0crwdne2934057:0

Hi,

When the compressor motor is running and you open the refrigerator door, can you hear if the evaporator fan inside the freezer compartment stops?

The evaporator fan will stop when a door, (either door) is opened and start again when the door is shut.

I’m asking as the door switch in both compartments is used to signal the control board to turn off the fan and also to turn on the light in the relevant compartment. This is just a way to check if the refrigerator door switch is working, although it has two sets of contacts as there are two sets of lights.

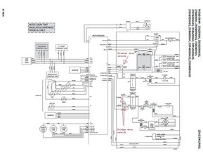
Here’s an image of the wiring schematic for the refrigerator shoing the door switches etc. that may help.

Disconnect the power to the fridge and use an Ohmmeter to test the fridge light circuit.

Do not test”live” unless you know how to test safely as they operate at 120V AC supply

Block Image

(click on image to enlarge for better viewing)

crwdns2934105:0crwdne2934105:0

crwdns2889612:0crwdne2889612:0 1

crwdns2944067:05crwdne2944067:0:

I tried what you suggested and the fan doesn't stop, it's still running. I'm going try and replace the switch and see if it fixes the issue. Thanks!!

crwdns2934271:0crwdnd2934271:0crwdne2934271:0

I have the same condition on my Kenmore side by side. Fridge light only works when freezer door is open. Recirc fan continues to run when fridge door is open and turns off when freezer door is open. Same with temp control inside fridge. Only displays temps when freezer door AND fridge doors are open. I checked for power on two leads going to fridge switch and I have 125 volts there. Purchased a new fridge switch and problem persists. I noticed a VERY momentary flicker in water filter light when the light switch is opened and closed. Is this a control board issue?

crwdns2934271:0crwdnd2934271:0crwdne2934271:0

@roberthare4457

What is the model number of the refrigerator?

crwdns2934271:0crwdnd2934271:0crwdne2934271:0

Kenmore Pro Model #25355333600

crwdns2934271:0crwdnd2934271:0crwdne2934271:0

@roberthare4457

I don't know.

Your model is a rebadged Frigidaire model and I can't find a free download of the wiring diagram online that would help to find out what's wrong.

I can only suggest that you purchase the wiring diagram - part #241636604 as this will show how it is wired.

Alternatively search for the part number only, to maybe find a free download that I missed or to find a supplier that suit you better

crwdns2934271:0crwdnd2934271:0crwdne2934271:0

crwdns2934285:0crwdne2934285:0

crwdns2934229:0crwdne2934229:0

Toi Truong crwdns2934231:0crwdne2934231:0
crwdns2936625:0crwdne2936625:0:

crwdns2936751:024crwdne2936751:0 1

crwdns2936753:07crwdne2936753:0 7

crwdns2936753:030crwdne2936753:0 25

crwdns2942667:0crwdne2942667:0 1,556