crwdns2933423:0crwdne2933423:0
crwdns2947577:0crwdnd2947577:0crwdne2947577:0

The Ryobi Cordless Brad Nailer P320 (2016) is a versatile tool designed for woodworking and construction tasks, offering cordless operation and compatibility with Ryobi's One+ System for extended usability. With features such as adjustable depth and Airstrike technology, it provides convenient and reliable performance for various applications, while troubleshooting and maintenance techniques ensure long-lasting functionality.

How is this part not available?

My nailer took a tumble down the stairs and broke the metal bracket that the “no mar contact tip” attaches to (part of the depth set mechanism and the piece that sticks the furthest away from the body of the tool.) I've searched all the parts websites and it seems every o-ring and screw and other part is available, but I cant find this one and can't even find a good name for it. Not willing to buy a new tool over a $5 part. Can anyone help?

crwdns2934089:0crwdne2934089:0 crwdns2934093:0crwdne2934093:0

crwdns2934109:0crwdne2934109:0

crwdns2889612:0crwdne2889612:0 0
crwdns2947414:01crwdne2947414:0

I also have the same problem, the tip broke off. Can I buy the assembly which includes this part?

Steve

claretsfan@gmail.com

crwdns2934271:0crwdnd2934271:0crwdne2934271:0

crwdns2934285:0crwdne2934285:0

crwdns2933315:04crwdne2933315:0

crwdns2934057:0crwdne2934057:0

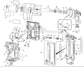
Do you see the part on this diagram?

Block Image

If so, this site should help identify it and may offer it for sale

It appears that that is part of the magazine assembly.

Block Image
Block Image

https://www.ereplacementparts.com/ryobi-...

crwdns2934105:0crwdne2934105:0

crwdns2889612:0crwdne2889612:0 2

crwdns2944067:05crwdne2944067:0:

Thanks Issac, but no, it's not a numbered part on that diagram /website. It’s the metal piece that screw 36 goes into after piece 35.

crwdns2934271:0crwdnd2934271:0crwdne2934271:0

@anonnimity Updated answer. Looks like it's part of an assembly, not sold as separate.

crwdns2934271:0crwdnd2934271:0crwdne2934271:0

Ryobi OEM 79007001084 Nailer Driver Assembly R213BNA R150FSA R213BNE

crwdns2934271:0crwdnd2934271:0crwdne2934271:0

It's called a "Work Contact Element" but part #79007001084 for the P320 does not fit on the assembly. Part 1084 has the same holes and fits on but it's a solid piece of metal. The one that broke on mine (Same as above) has metal grooves down the body and the width of the contact element isn't wide enough to slide over the nail tray. I've not found a replacement part the same as what broke.

crwdns2934271:0crwdnd2934271:0crwdne2934271:0

The piece you are looking for is not marked and I'm having the same issue! it goes through 35 and is the piece that you attach the no mar pad to! Drop your tool and it breaks off. At this point I'm so disappointed that I am now in the process of replacing my Ryobi tools! Never by Ryobi they are junk!

crwdns2934271:0crwdnd2934271:0crwdne2934271:0

crwdns2934285:0crwdne2934285:0

https://www.ereplacementparts.com/ryobi-...

crwdns2934105:0crwdne2934105:0

crwdns2889612:0crwdne2889612:0 2
crwdns2934285:0crwdne2934285:0

It sounds like the specific part you're referring to is the metal bracket that houses the "no mar contact tip" and is integral to the depth set mechanism of your Ryobi Cordless Brad Nailer P320 (2016). Unfortunately, without a specific part number or a clear description, finding this part can be challenging.

One suggestion is to reach out directly to Ryobi customer support. They may be able to provide assistance in identifying the part and possibly ordering a replacement for you.

crwdns2934105:0crwdne2934105:0

crwdns2889612:0crwdne2889612:0 1
crwdns2934285:0crwdne2934285:0

Mine was Part 42 here: https://ryobipower.ordertree.com/model?m...

crwdns2934105:0crwdne2934105:0

crwdns2889612:0crwdne2889612:0 0

crwdns2947414:01crwdne2947414:0:

sorry, was for trhe P321...

crwdns2934271:0crwdnd2934271:0crwdne2934271:0

crwdns2934285:0crwdne2934285:0

crwdns2934229:0crwdne2934229:0

anonnimity crwdns2934231:0crwdne2934231:0
crwdns2936625:0crwdne2936625:0:

crwdns2936751:024crwdne2936751:0 5

crwdns2936753:07crwdne2936753:0 21

crwdns2936753:030crwdne2936753:0 85

crwdns2942667:0crwdne2942667:0 2,204