crwdns2933423:0crwdne2933423:0

Learn about the skills that you might need to work on your device.

Repair Beseler Dichro 45s circuit board.

I am trying to fix a 1990 Beseler Dichro 45s enlarger head. It is used to make color photographic enlargements. I believe the voltage at the light bulb socket is supposed to be a stabilized 82 volts. I am getting 90-91 volts at the socket. I am trying to figure out how to test the circuit board to determine what parts are going bad. This is solid state electronics.

crwdns2934089:0crwdne2934089:0 crwdns2934093:0crwdne2934093:0

crwdns2934109:0crwdne2934109:0

crwdns2889612:0crwdne2889612:0 1
crwdns2947414:01crwdne2947414:0

You are correct about the voltage. F. STABILIZED POWER SUPPLY The voltage for the colorhead's lamp and electronics are internally stabilized over an AC line voltage range of ±10% from the normal. I wonder what role the Vactrol Opto Couplers play in this. Seems to be one of the weak spots on those.

Can you post some good pictures of your power supply etc. with your Question? That way we can see what you see. Adding images to an existing question

crwdns2934271:0crwdnd2934271:0crwdne2934271:0

crwdns2934285:0crwdne2934285:0

crwdns2933315:02crwdne2933315:0

crwdns2934057:0crwdne2934057:0

Thanks oldturkey03 for getting back to me. I am really interested in fixing the unit as it makes good prints and a new LED one is $4,000.

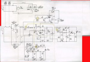
I think my first question is how do I test the board to see which components are not working correctly? I have asked Beseler for the single line diagram, and I have also found this one on the web (not sure if it is the same for my unit, see attached.)

Block Image
Block Image
Block Image
Block Image

Second, if it is a Vacto Opto Coupler, how do I find an equivalent part that will do the same thing?

If I can’t, I would like to figure out how to connect a external voltage controller to the unit and have it operate the system, or build a new one to replace this.

I had electronics a long time ago, so I am reaching back trying to remember how to do all this testing and replacement.

Best,

David

crwdns2934105:0crwdne2934105:0

crwdns2889612:0crwdne2889612:0 1
crwdns2934285:0crwdne2934285:0

I purchased a used Beseler 45 MX enlarger with the 45S colorhead on April 25, 2024. The colorhead lamp does not go on, but the power supply fan functions. I tested the lamp and it is good. Something with the power supply failed; this article and others suggest this is a common issue.

crwdns2934105:0crwdne2934105:0

crwdns2889612:0crwdne2889612:0 1

crwdns2947414:01crwdne2947414:0:

Abour a week later, I cleaned up the decades of dust and connected a Beseler darkroom timer and the colorhead came back to life.

crwdns2934271:0crwdnd2934271:0crwdne2934271:0

crwdns2934285:0crwdne2934285:0

crwdns2934229:0crwdne2934229:0

David Athey crwdns2934231:0crwdne2934231:0
crwdns2936625:0crwdne2936625:0:

crwdns2936751:024crwdne2936751:0 1

crwdns2936753:07crwdne2936753:0 4

crwdns2936753:030crwdne2936753:0 31

crwdns2942667:0crwdne2942667:0 580