crwdns2933423:0crwdne2933423:0

Line of business laptops originally sold by IBM and then purchased by Lenovo in 2005. Older models (Pre-XX50) have a WiFi whitelist, so wireless card replacement is not as easy as buying a bulk generic card online.

Does the Lenovo thinkpad t570 20jw have a lcd inverter

So i couldnt find the device on ifixit but the device is a Lenovo Thinkpad T570 20JW laptop. The backlight after a screen replacement is very dim/barely visible. it works fine with an external monitor (which would make since because the hdmi port wasnt broken) but I am wondering if an LCD inverter can be replaced in the laptop if there is one. Unless i have to replace the LCD with a new one please let me know, thanks

crwdns2934081:0crwdne2934081:0 crwdns2934083:0crwdne2934083:0 crwdns2934093:0crwdne2934093:0

crwdns2934109:0crwdne2934109:0

crwdns2889612:0crwdne2889612:0 1
crwdns2934285:0crwdne2934285:0

crwdns2933313:01crwdne2933313:0

crwdns2934051:0crwdne2934051:0

@zmentz it does not have a separate inverter. The circuitry for your backlight is part of the motherboard. You would have to take a closer look at the motherboard and all connectors etc. There “might” be schematics available that may give you some clue as to what may have failed since it could be the backlight strips inside your laptop screen which may have failed or it may just not get any power from the motherboard etc. . Let us know what exact numbers are printed on your motherboard.

Update (10/25/2020)

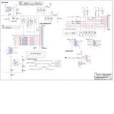
@zmentz this would be the schematic around the LCD connector. Looks like lots of fuses on this board that you may need to check.

Block Image

For better visibility, download the picture and use a graphics viewer to resize it. :-)

crwdns2934105:0crwdne2934105:0

crwdns2889612:0crwdne2889612:0 3

crwdns2944067:010crwdne2944067:0:

Hi @zmentz ,

Looking online it appears that the motherboard is a Wistron-lts-1-16820-1-Rev.1. You can confirm by checking what it shows on the motherboard itself.

Unfortunately I cannot find any free schematics only ones that have to be purchased (as in link above). There are other suppliers. Just search using the board number to find them

Nowadays with the backlight power in a lot of laptops, the power is continuously supplied to the LCD panel and a 3.3V signal is sent from the motherboard on the BL_On lead telling the panel to turn it on and is removed to turn it off.

Again with a lot of laptops, and I don't know yours, if it is a 30 pin video cable from the motherboard to the panel then "usually" the power is on pins 27, 28 and 29. I have found that the BL_On lead can vary as to what pin it is connected to. Have seen pin 24 and also 18, so no help there.

Another option is to find out the LCD panel make and model number (on the back of the panel) and search for the "(insert make and model number) datasheet" This will give the "pinout" of the video cable's wiring so you will know what pins are used for what purpose.

crwdns2934271:0crwdnd2934271:0crwdne2934271:0

@zmentz can you verify that the board is a Wistron-lts-1-16820-1-Rev.1? If so you may be in luck :-)

crwdns2934271:0crwdnd2934271:0crwdne2934271:0

Hi @zmentz ,

The master of manuals @oldturkey03 has come through once more. ;-)

The backlight power for the screen is on pins 37, 38, 39 & 40. The fuse is F2605 (fuse type 3A32V-17-GP)

If you measure between any one of these pins and earth there should be a voltage. It doesn't show on the circuit but perhaps in the range of 12-17V. Be careful when measuring that you don't short out a pin with another or short out anything else on the motherboard. You don't need any more problems.

The backlight on lead is on pin 21.

Since there is a dim display the fuse for the power for the panel (not the backlights) should be OK - fuse F2601 - same type as the other.

Are you sure that you got a compatible replacement panel?

Here's a link to all the panels that are compatible with the model. Click on "Select Commodities > LCD panels". Check if the replacement panel has a part number that is in the list. Don't forget to look at the substitutes as well just in case.

If the replacement panel doesn't have a part number and the original does, try searching for the datasheet for both and check the cable pinout to see if they match.

crwdns2934271:0crwdnd2934271:0crwdne2934271:0

Thank you guys so much for helping me, i just got to work and ill help provide any more information and updates on this and go off of what you guys said, thanks again and ill be back soon

crwdns2934271:0crwdnd2934271:0crwdne2934271:0

@oldturkey03 so i found out that the F2605 fuse blew out, is it possible to replace the fuse if so where can i found the part because i have searched around and cant find anything

crwdns2934271:0crwdnd2934271:0crwdne2934271:0

crwdns2934275:05crwdne2934275:0

crwdns2934285:0crwdne2934285:0

crwdns2934229:0crwdne2934229:0

Zach Mentz crwdns2934231:0crwdne2934231:0
crwdns2936625:0crwdne2936625:0:

crwdns2936751:024crwdne2936751:0 0

crwdns2936753:07crwdne2936753:0 3

crwdns2936753:030crwdne2936753:0 20

crwdns2942667:0crwdne2942667:0 617